LEMON Manuals: Even more car manuals for everyone
Home >> Toyota >> 2005 >> Avalon Limited >> Repair and Diagnosis >> Engine Performance >> Engine Control Systems >> Engine Control System >> System Diagram

System Diagram

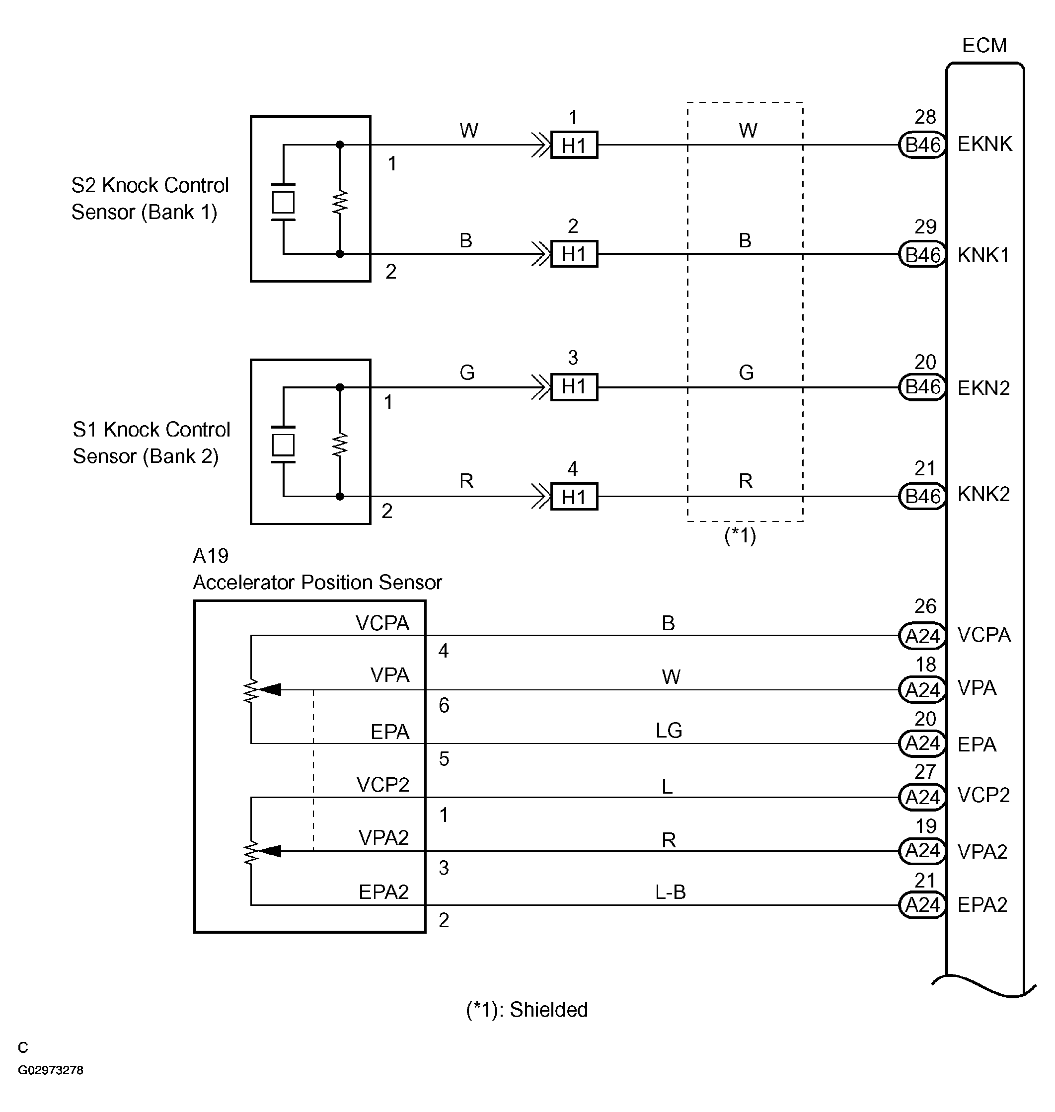
Fig 1: SFI System Diagram (2GR-FE - 1 Of 4)
G02973278Courtesy of © TOYOTA, LICENSE AGREEMENT TMS1002
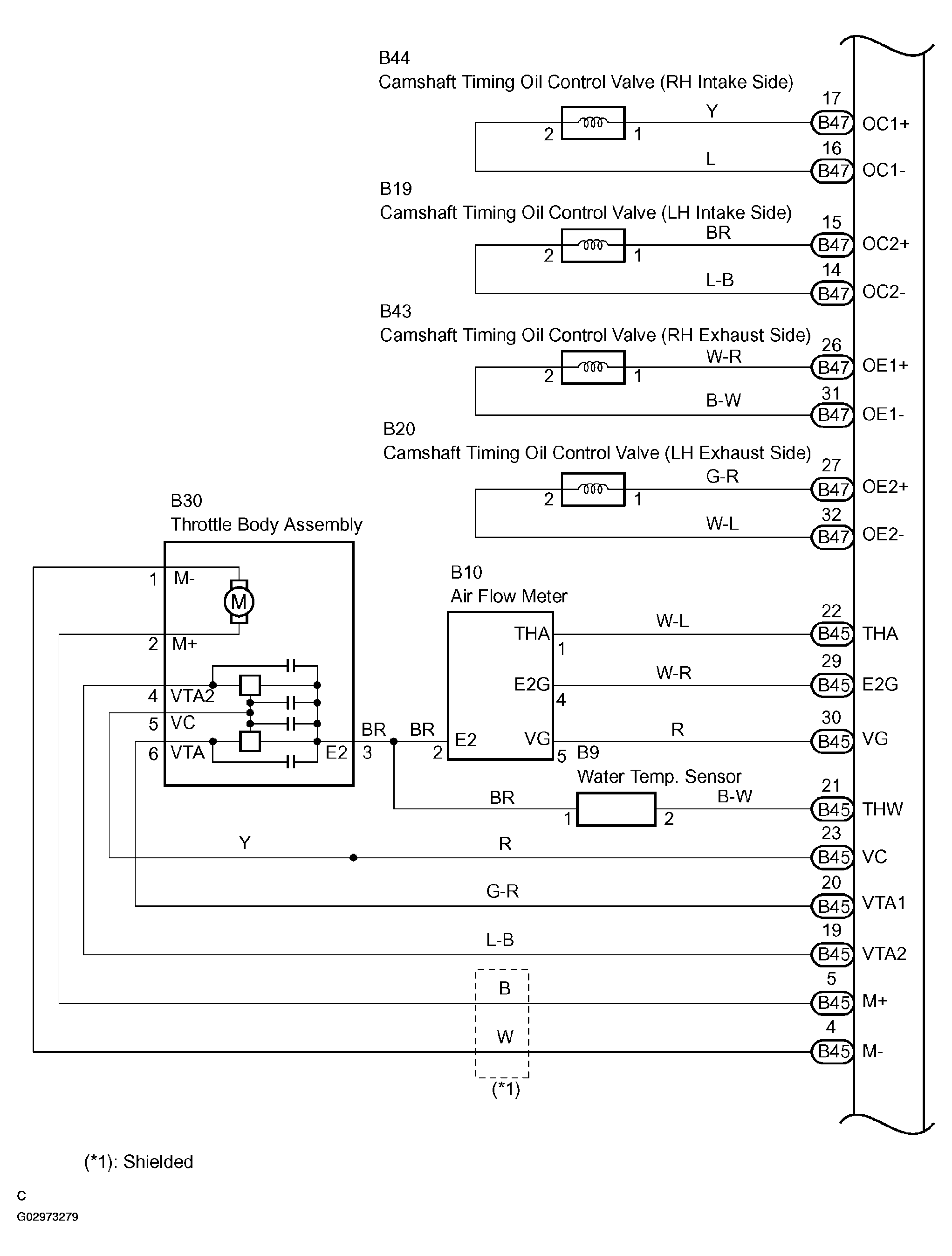
Fig 2: SFI System Diagram (2GR-FE - 2 Of 4)
G02973279Courtesy of © TOYOTA, LICENSE AGREEMENT TMS1002
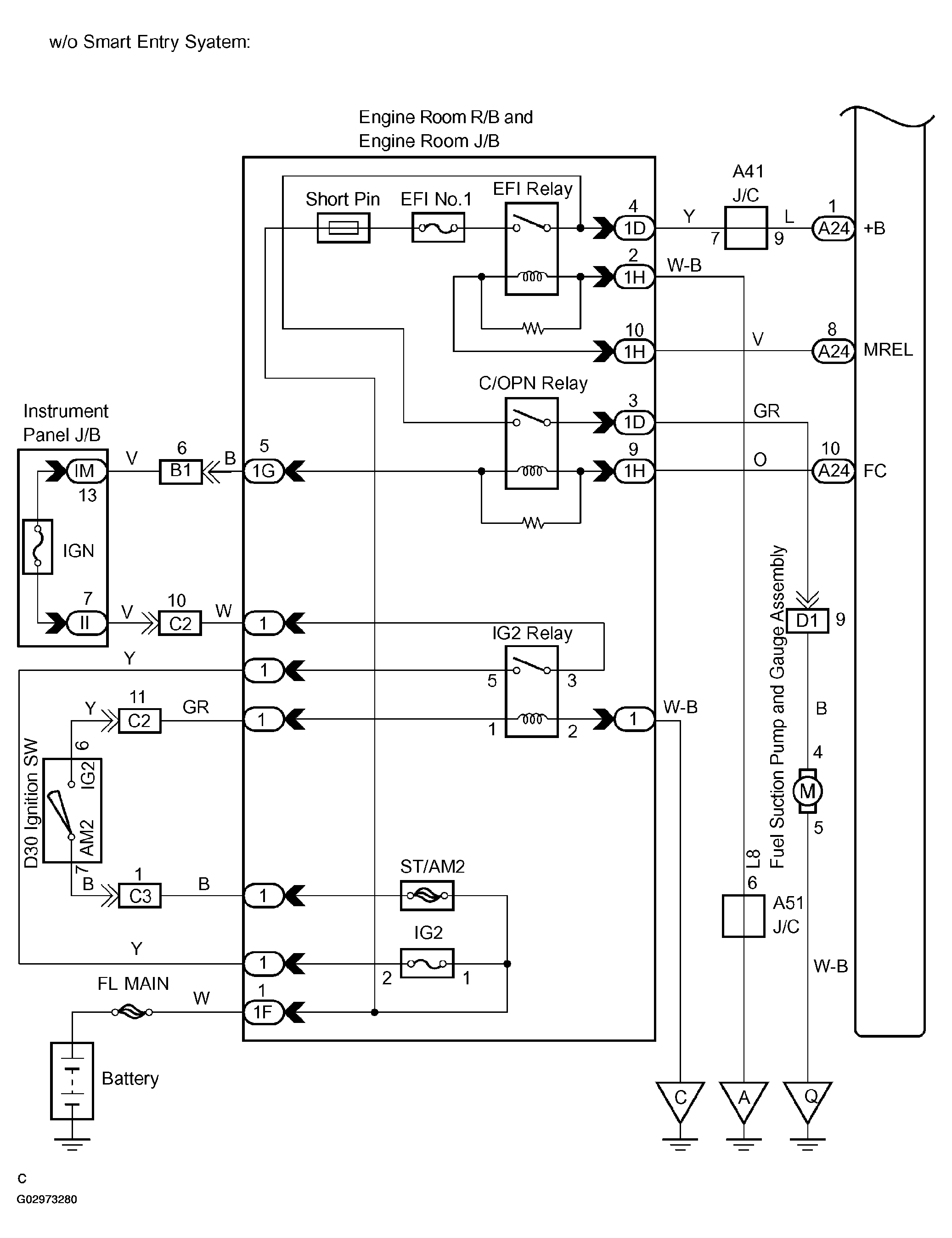
Fig 3: SFI System Diagram (2GR-FE - 3 Of 4)
G02973280Courtesy of © TOYOTA, LICENSE AGREEMENT TMS1002
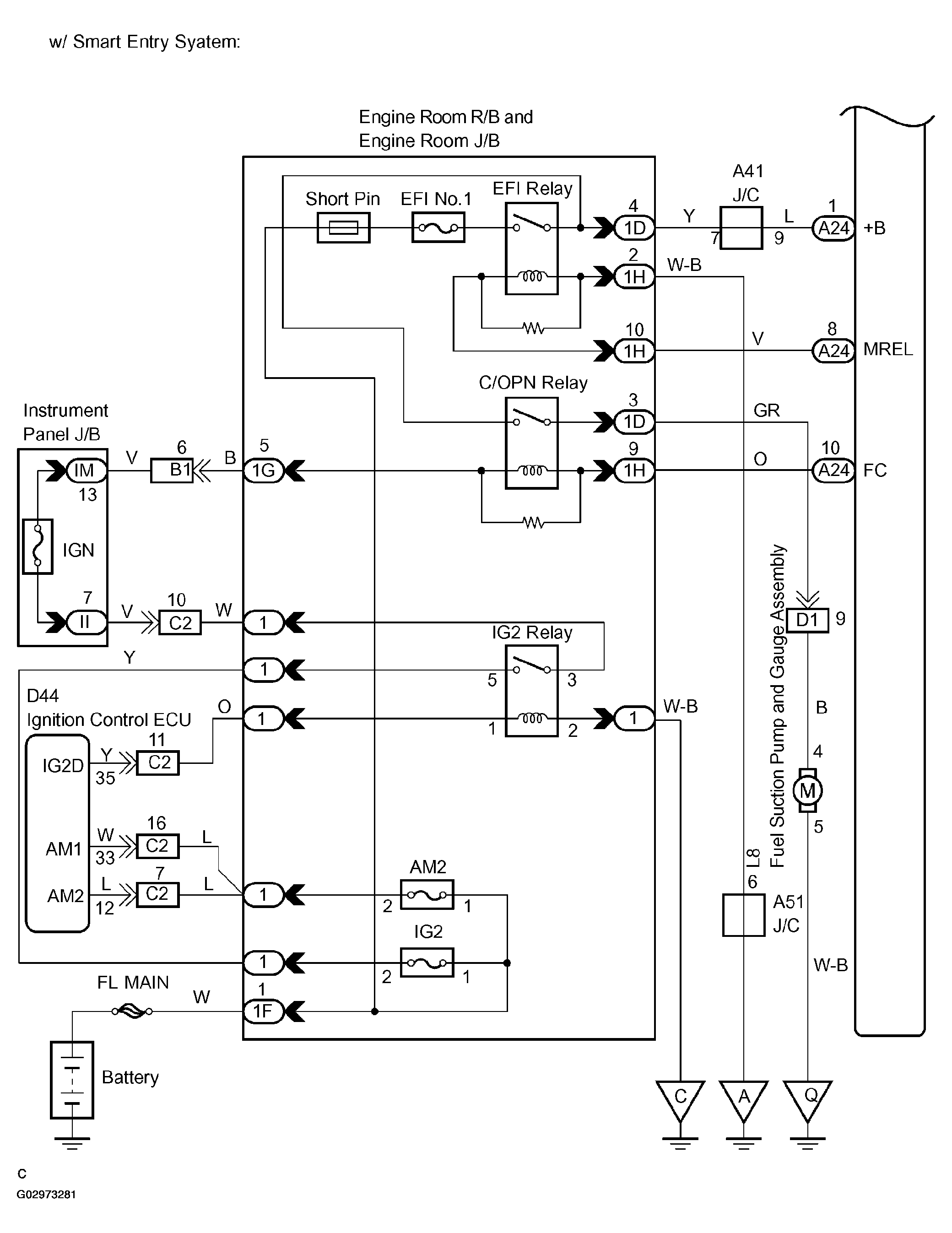
Fig 4: SFI System Diagram (2GR-FE - 4 Of 4)
G02973281Courtesy of © TOYOTA, LICENSE AGREEMENT TMS1002