LEMON Manuals: Even more car manuals for everyone
Home >> Toyota >> 2004 >> Prius >> Repair and Diagnosis >> External Pages >> Different car >> Section 249 (Back Door Control Systems) >> System Tests >> Power Source Circuit >> Wiring Diagram

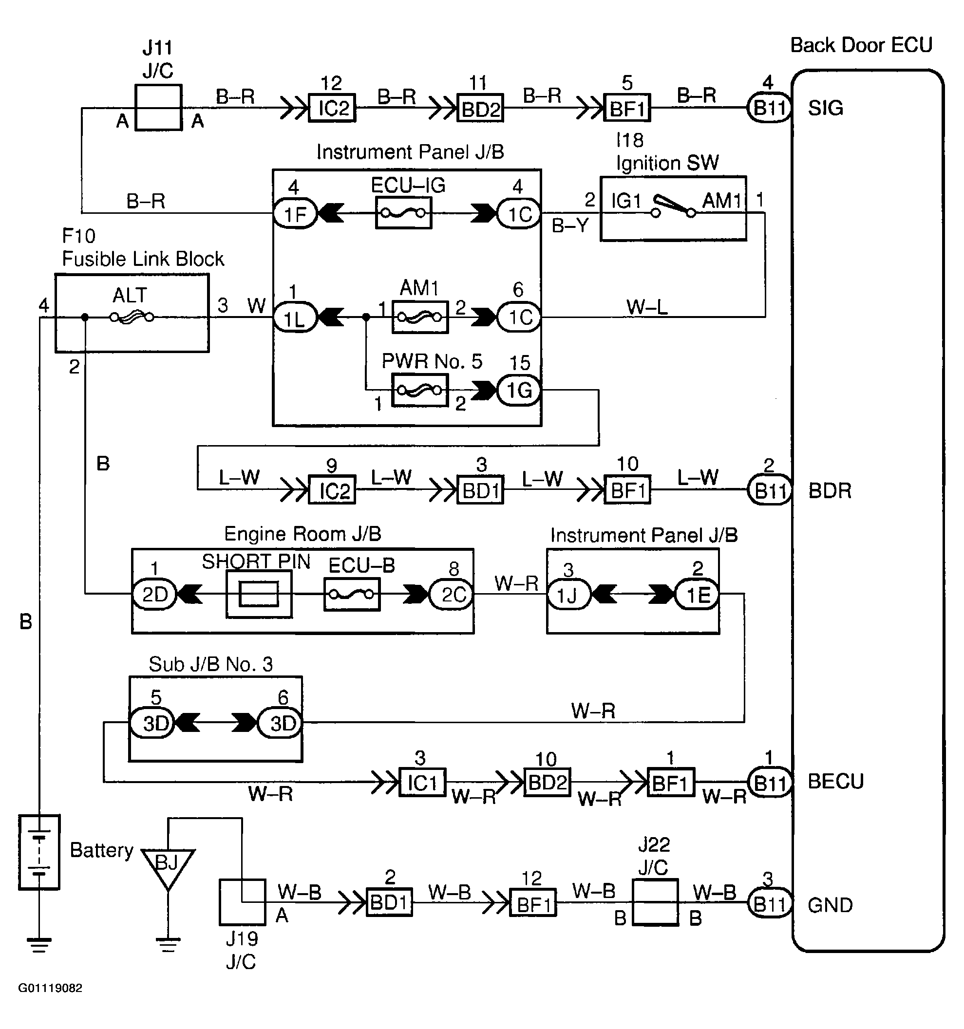
Power Source Circuit: Wiring Diagram

WARNING: This page is about a different car, the 2002 Toyota Sequoia. However, it is still accessible from the selected car via links, so may be relevant.
Fig 1: Power Source Circuit Wiring Diagram
G01119082Courtesy of © TOYOTA, LICENSE AGREEMENT TMS1002