LEMON Manuals: Even more car manuals for everyone
Home >> Toyota >> 2004 >> Matrix Base, FWD, Standard >> Repair and Diagnosis >> External Pages >> Different car >> Section 446 (Navigation System - Diagnostics) >> Circuit Inspection >> AVC-LAN (Communication Bus) Circuit >> Wiring Diagram

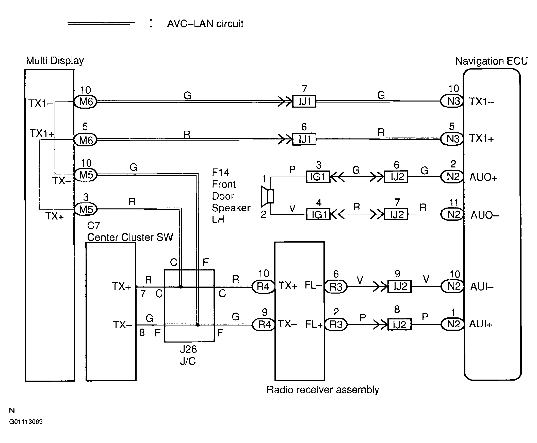
AVC-LAN (Communication Bus) Circuit: Wiring Diagram

WARNING: This page is about a different car, the 2002 Toyota Prius. However, it is still accessible from the selected car via links, so may be relevant.
Fig 1: AVC-LAN (Communication Bus) Circuit
G01113069Courtesy of © TOYOTA, LICENSE AGREEMENT TMS1002