LEMON Manuals: Even more car manuals for everyone
Home >> Toyota >> 2004 >> Matrix Base, FWD, Automatic >> Repair and Diagnosis >> External Pages >> Different car >> Section 918 (Audio & Visual System) >> Audio & Visual System >> Components

Audio & Visual System: Components

WARNING: This page is about a different car, the 2004 Toyota Camry Solara. However, it is still accessible from the selected car via links, so may be relevant.
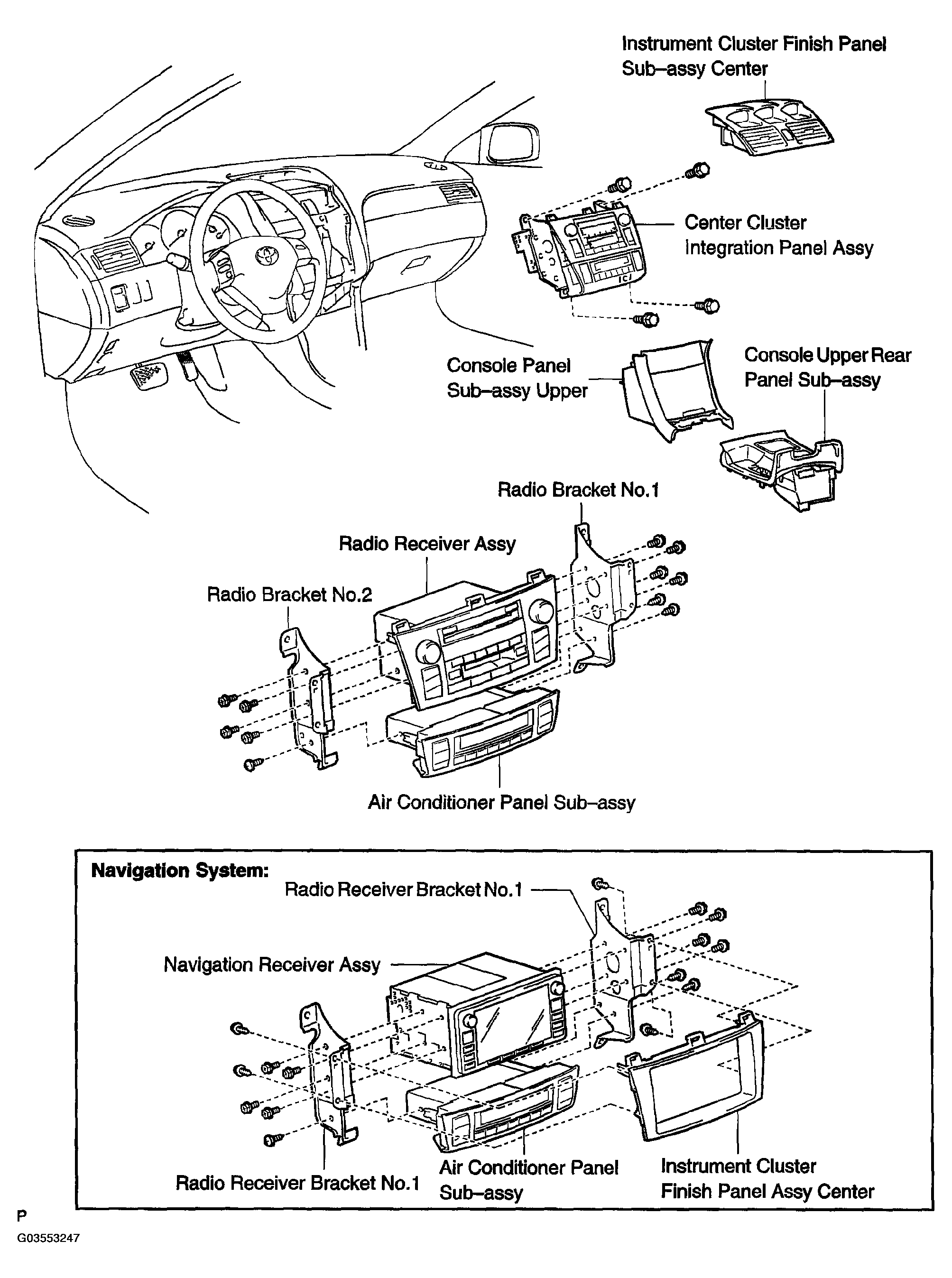
Fig 1: Exploded View Of Audio & Visual System (1 Of 2)
G03553247Courtesy of © TOYOTA, LICENSE AGREEMENT TMS1002
Fig 2: Exploded View Of Audio & Visual System (2 Of 2)
G03553248Courtesy of © TOYOTA, LICENSE AGREEMENT TMS1002