LEMON Manuals: Even more car manuals for everyone
Home >> Toyota >> 2004 >> Matrix Base, FWD, Automatic >> Repair and Diagnosis >> External Pages >> Different car >> Section 738 (Front Power Seat Control System (With Memory) - Diagnosis) >> Communication Circuit >> Wiring Diagram

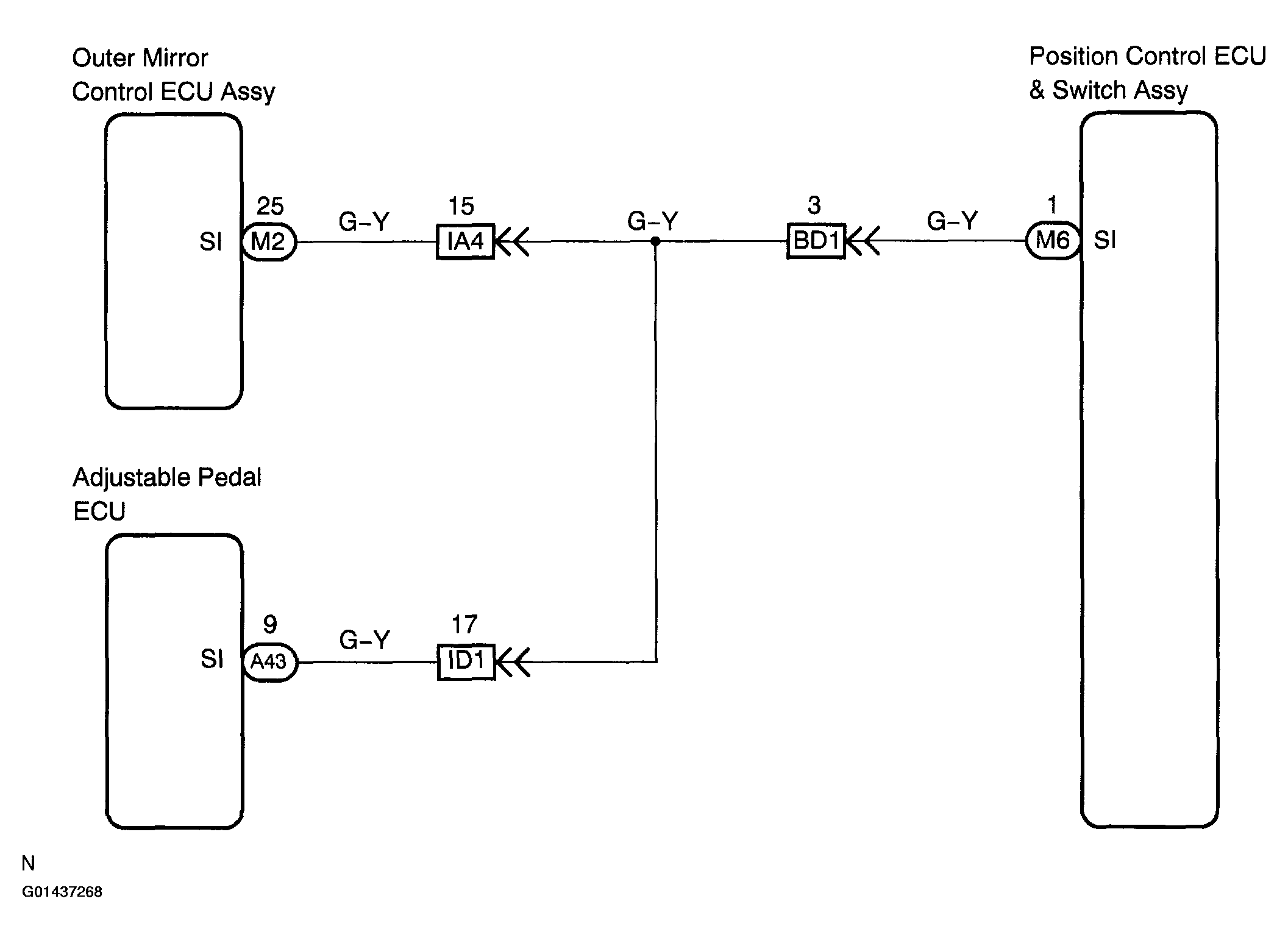
Communication Circuit: Wiring Diagram

WARNING: This page is about a different car, the 2004 Lexus ES 330. However, it is still accessible from the selected car via links, so may be relevant.
Fig 1: Communication Wiring Diagram
G01437268Courtesy of © TOYOTA, LICENSE AGREEMENT TMS1002