LEMON Manuals: Even more car manuals for everyone
Home >> Toyota >> 2004 >> Matrix Base, FWD, Automatic >> Repair and Diagnosis >> External Pages >> Different car >> Section 715 (Intake Air Control System) >> System Diagram

System Diagram

WARNING: This page is about a different car, the 2004 Toyota Camry Solara. However, it is still accessible from the selected car via links, so may be relevant.

HINT:

Intake air amount is determined by the ECM based on signals from various sensors.

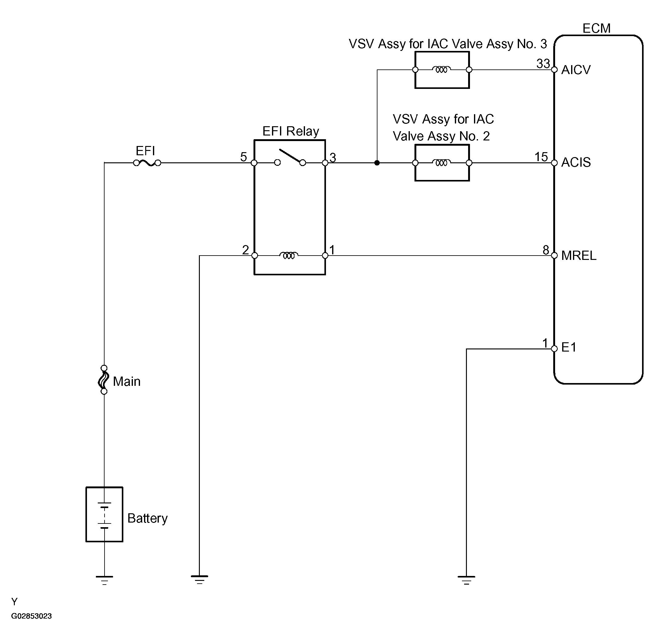
Fig 1: Intake System Diagram
G02853022Courtesy of © TOYOTA, LICENSE AGREEMENT TMS1002
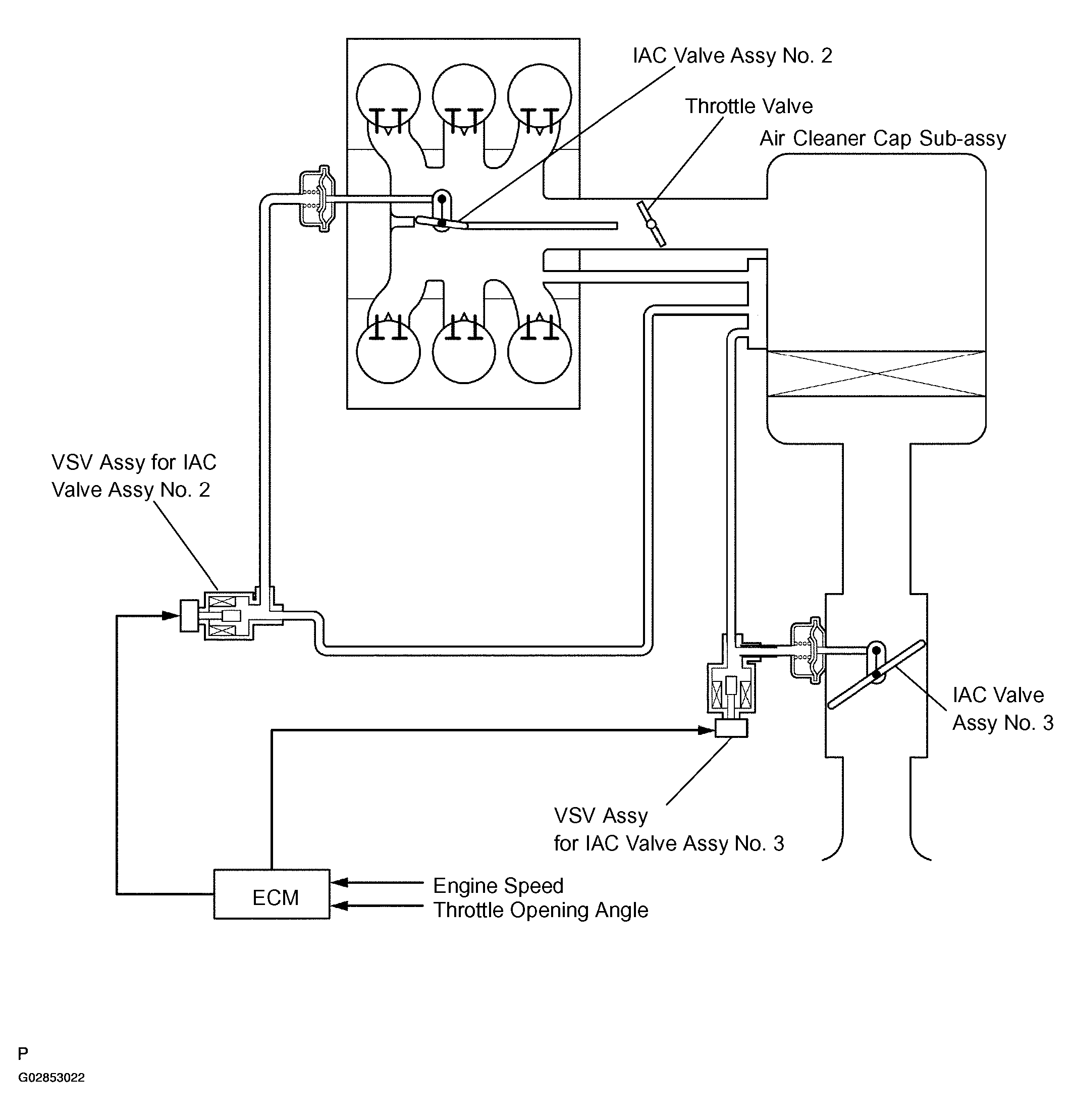
Fig 2: Wiring Diagram - Intake Air Control System
G02853023Courtesy of © TOYOTA, LICENSE AGREEMENT TMS1002