LEMON Manuals: Even more car manuals for everyone
Home >> Toyota >> 2004 >> Matrix Base, FWD, Automatic >> Repair and Diagnosis >> External Pages >> Different car >> Section 704 (Can Communication System - Diagnostics) >> Steering Sensor Communication Stop Mode >> Wiring Diagram

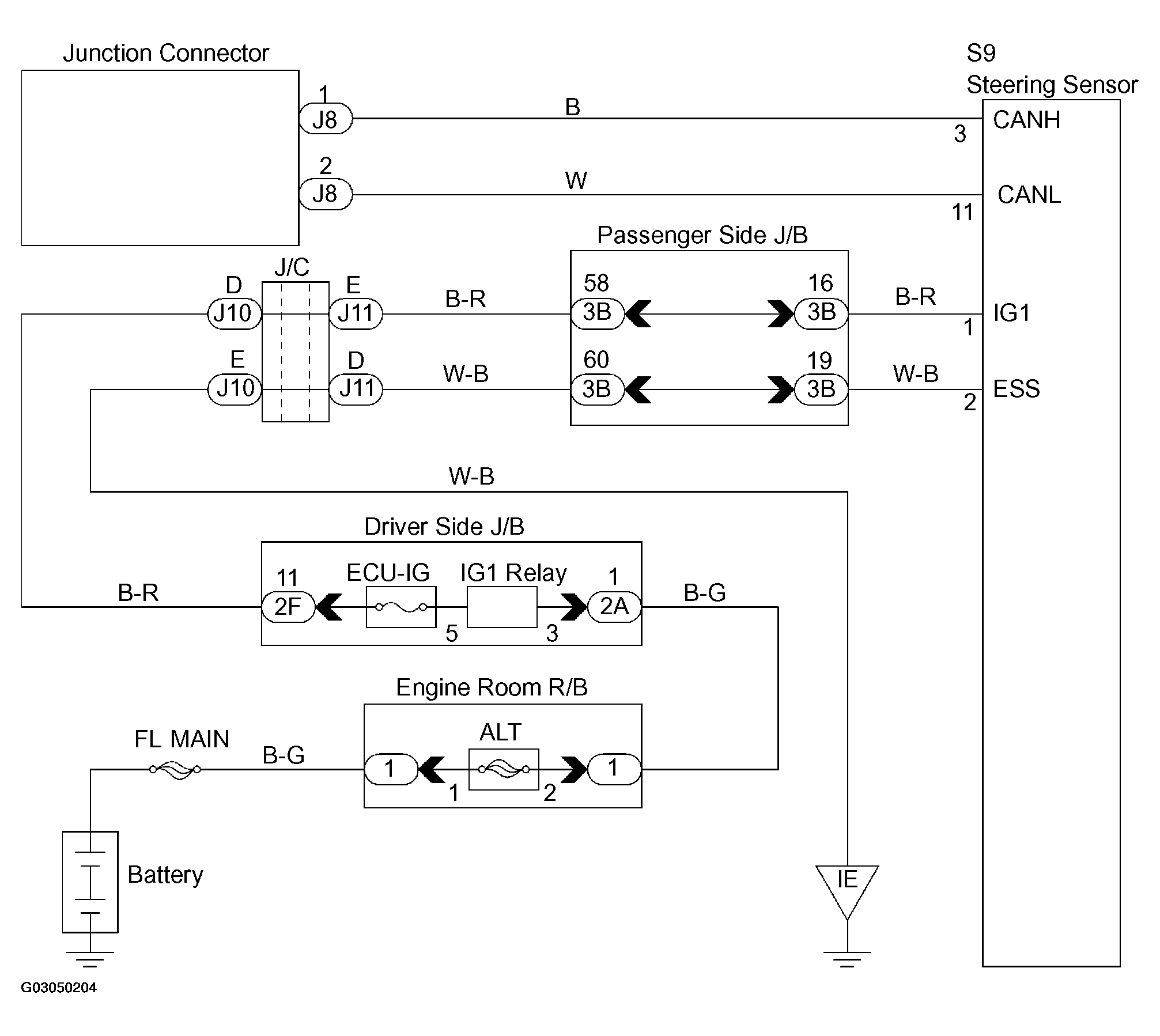
Steering Sensor Communication Stop Mode: Wiring Diagram

WARNING: This page is about a different car, the 2004 Toyota Camry Solara. However, it is still accessible from the selected car via links, so may be relevant.
Fig 1: Wiring Diagram - Steering Sensor Communication Stop Mode
G03050204Courtesy of © TOYOTA, LICENSE AGREEMENT TMS1002