LEMON Manuals: Even more car manuals for everyone
Home >> Toyota >> 2004 >> Matrix Base, FWD, Automatic >> Repair and Diagnosis >> External Pages >> Different car >> Section 704 (Can Communication System - Diagnostics) >> Check Can Bus Lines For Short Circuit >> Wiring Diagram

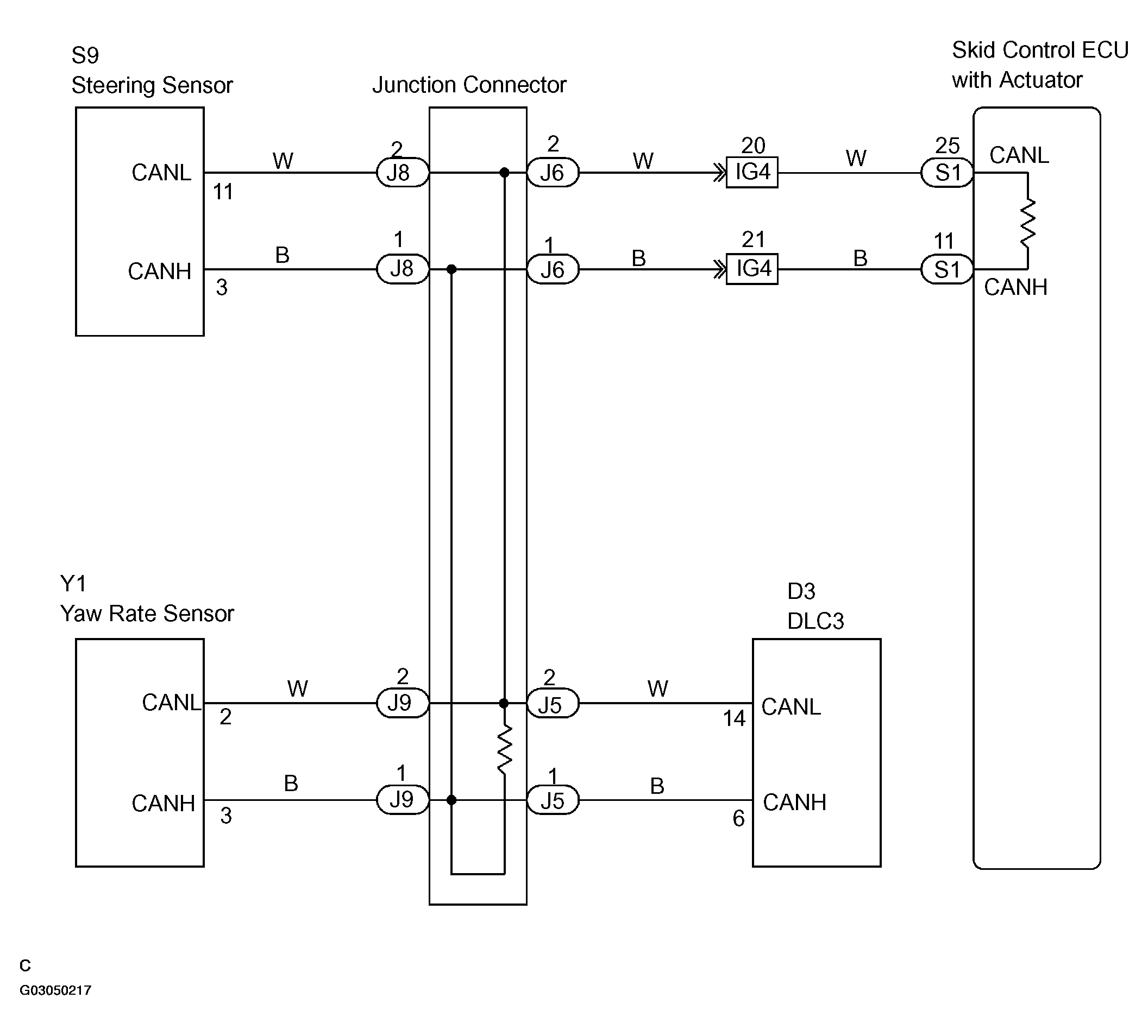
Check Can Bus Lines For Short Circuit: Wiring Diagram

WARNING: This page is about a different car, the 2004 Toyota Camry Solara. However, it is still accessible from the selected car via links, so may be relevant.
Fig 1: Wiring Diagram - CAN Bus Lines
G03050217Courtesy of © TOYOTA, LICENSE AGREEMENT TMS1002