LEMON Manuals: Even more car manuals for everyone
Home >> Toyota >> 2004 >> Matrix Base, FWD, Automatic >> Repair and Diagnosis >> External Pages >> Different car >> Section 635 (Can Communication System - Diagnostics) >> Check Can Bus Line (Can-H) For Short To B+ >> Wiring Diagram

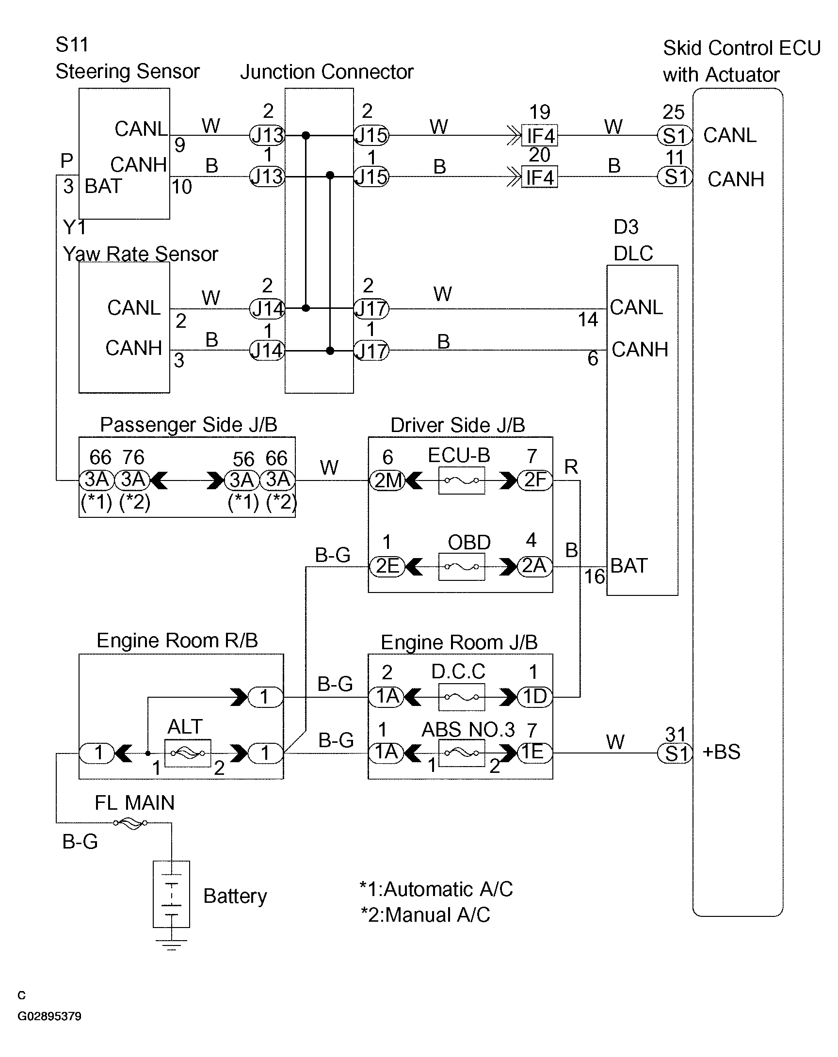
Check Can Bus Line (Can-H) For Short To B+: Wiring Diagram

WARNING: This page is about a different car, the 2004 Toyota Camry. However, it is still accessible from the selected car via links, so may be relevant.
Fig 1: Wiring Diagram - Can Bus Line (CAN-H)
G02895379Courtesy of © TOYOTA, LICENSE AGREEMENT TMS1002