LEMON Manuals: Even more car manuals for everyone
Home >> Toyota >> 2004 >> Matrix Base, FWD, Automatic >> Repair and Diagnosis >> External Pages >> Different car >> Section 549 (Body Control Systems - Diagnostics) >> Circuit Inspection >> Headlight dimmer switch circuit >> Wiring Diagram

Headlight dimmer switch circuit: Wiring Diagram

WARNING: This page is about a different car, the 2003 Toyota Sequoia. However, it is still accessible from the selected car via links, so may be relevant.
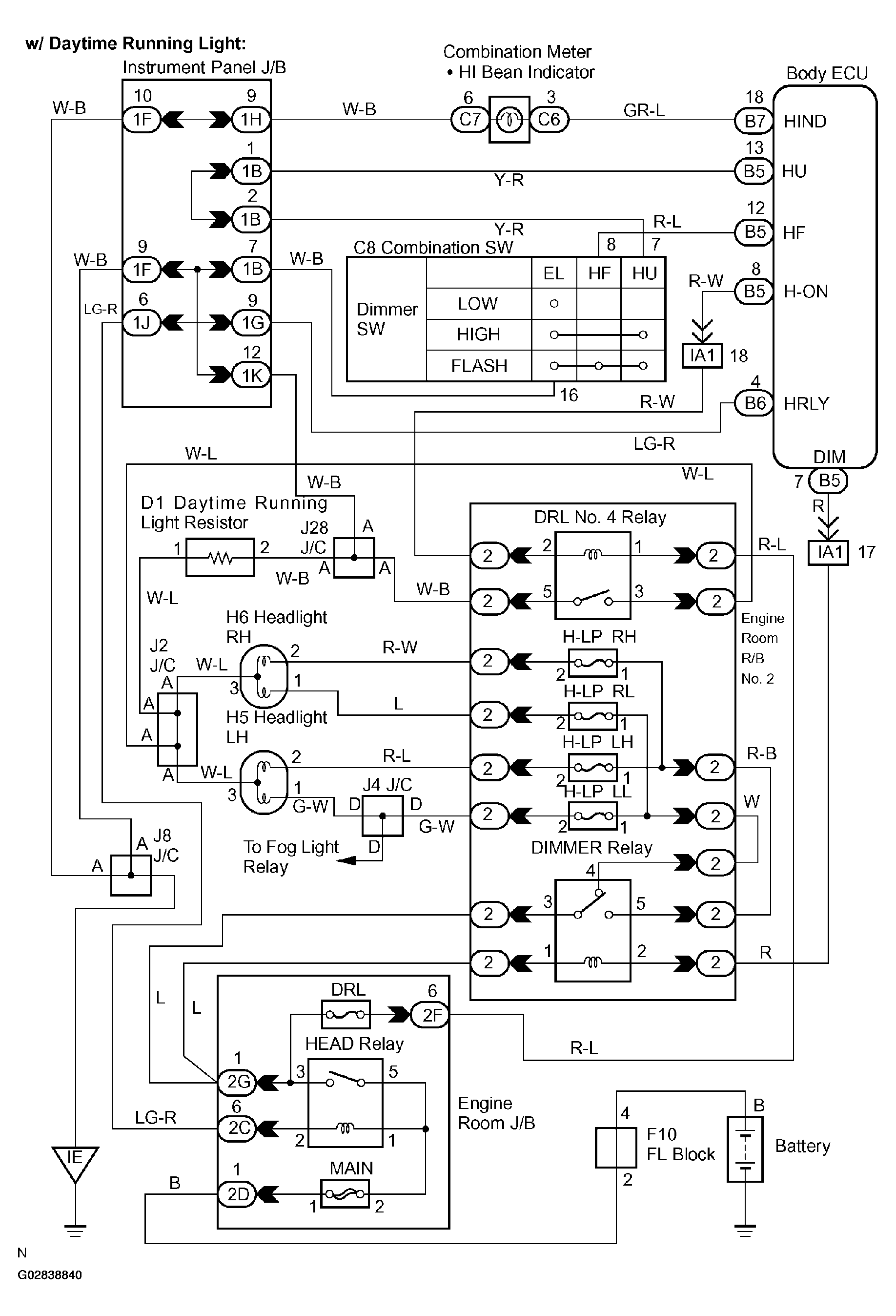
Fig 1: Headlight Dimmer Switch Circuit (W/Daytime Running Light) - Wiring Diagram
G02838840Courtesy of © TOYOTA, LICENSE AGREEMENT TMS1002
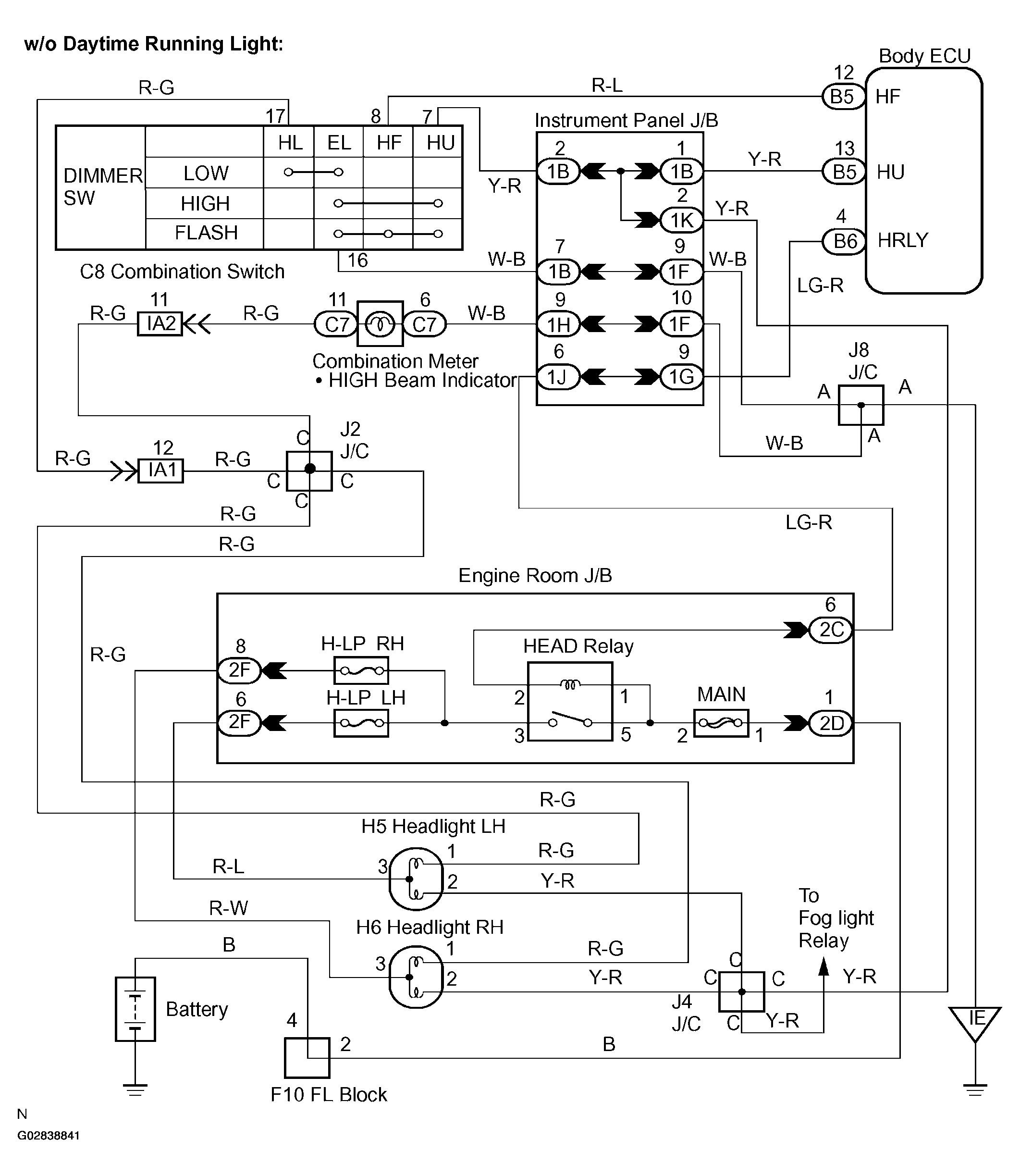
Fig 2: Headlight Dimmer Switch Circuit (W/O Daytime Running Light) - Wiring Diagram
G02838841Courtesy of © TOYOTA, LICENSE AGREEMENT TMS1002