LEMON Manuals: Even more car manuals for everyone
Home >> Toyota >> 2004 >> Matrix Base, FWD, Automatic >> Repair and Diagnosis >> External Pages >> Different car >> Section 471 (Engine Controls - Diagnostics) >> Circuit Inspection >> DTC P0115: Engine Coolant Temperature Circuit, DTC P0117: Engine Coolant Temperature Circuit Low Input, DTC P0118: Engine Coolant Temperature Circuit High Input >> Wiring Diagram

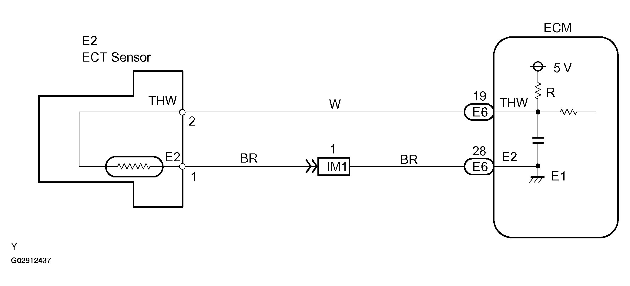
DTC P0115: Engine Coolant Temperature Circuit, DTC P0117: Engine Coolant Temperature Circuit Low Input, DTC P0118: Engine Coolant Temperature Circuit High Input: Wiring Diagram

WARNING: This page is about a different car, the 2004 Toyota RAV4. However, it is still accessible from the selected car via links, so may be relevant.
Fig 1: E2 ECT Sensor Wiring Diagram
G02912437Courtesy of © TOYOTA, LICENSE AGREEMENT TMS1002