LEMON Manuals: Even more car manuals for everyone
Home >> Toyota >> 2004 >> Matrix Base, FWD, Automatic >> Repair and Diagnosis >> External Pages >> Different car >> Section 437 (Body Control Systems - Diagnostics) >> Circuit Inspection >> Ignition Switch Power Source Circuit >> Wiring Diagram

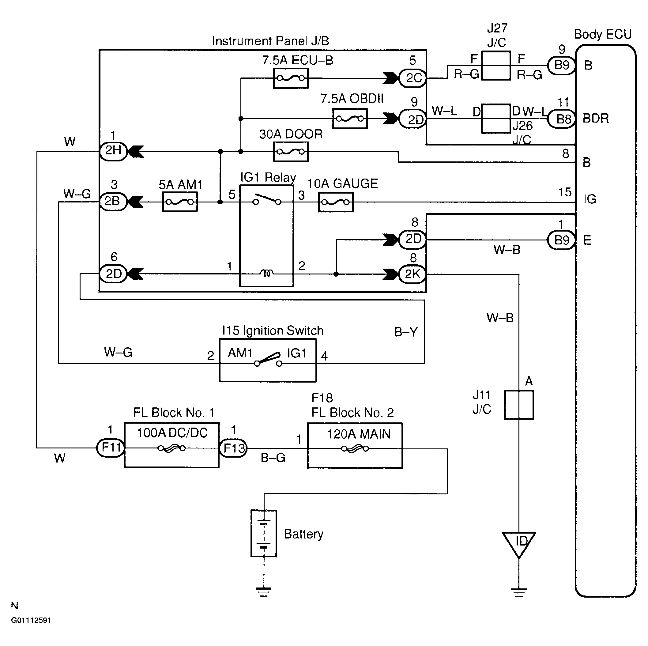
Ignition Switch Power Source Circuit: Wiring Diagram

WARNING: This page is about a different car, the 2002 Toyota Prius. However, it is still accessible from the selected car via links, so may be relevant.
Fig 1: Ignition Switch Power Source Circuit
G01112591Courtesy of © TOYOTA, LICENSE AGREEMENT TMS1002