LEMON Manuals: Even more car manuals for everyone
Home >> Toyota >> 2004 >> Matrix Base, FWD, Automatic >> Repair and Diagnosis >> External Pages >> Different car >> Section 236 (Wheel Alignment Specifications & Adjustment Procedures) >> Highlander >> Procedures >> Front Wheel Alignment

Front Wheel Alignment

WARNING: This page does not describe the selected car, but rather 16 other vehicles, including the 2002 Toyota Tundra, 2002 Toyota Tacoma, 2002 Toyota Sienna, 2002 Toyota Sequoia, and 2002 Toyota RAV4. However, it is still accessible from the selected car via links, so may be relevant.
  1. Inspect tire  .
    1. Check the tires for wear and proper inflation pressure.
      1. Cold tire inflation pressure:
        Fig 1: Identifying Tire Size & Pressure
        G01063929Courtesy of © TOYOTA, LICENSE AGREEMENT TMS1002
    2. Using a dial indicator, check the tire runout.
      1. Tire runout: 3.0 mm (0.039 in.) or less 
        Fig 2: Using Dial Indicator To Check Tire Runout
        G01063930Courtesy of © TOYOTA, LICENSE AGREEMENT TMS1002
  2. Measure vehicle height  .
    1. Vehicle height:
      1. (4WD)
        Fig 3: Identifying Vehicle Height Specifications (4WD)
        G01063931Courtesy of © TOYOTA, LICENSE AGREEMENT TMS1002
      2. (2WD)
        Fig 4: Identifying Vehicle Height Specifications (2WD)
        G01063932Courtesy of © TOYOTA, LICENSE AGREEMENT TMS1002
    2. Fig 5: Identifying Ride Height Measuring Points
      G01063933Courtesy of © TOYOTA, LICENSE AGREEMENT TMS1002
    1. Measuring points:

      A: Ground clearance of front wheel center

      B: Ground clearance of lower suspension arm No. 2 set bolt center

      C: Ground clearance of strut rod set bolt center

      D: Ground clearance of rear wheel center

      NOTE: Before inspecting the wheel alignment, adjust the vehicle height to the specified value.

      If the vehicle height is not the specified value, try to adjust it by pushing down on or lifting the body.

  3. Inspect toe-in  .
      Fig 6: Identifying Toe-In Measurements
      G01063935Courtesy of © TOYOTA, LICENSE AGREEMENT TMS1002
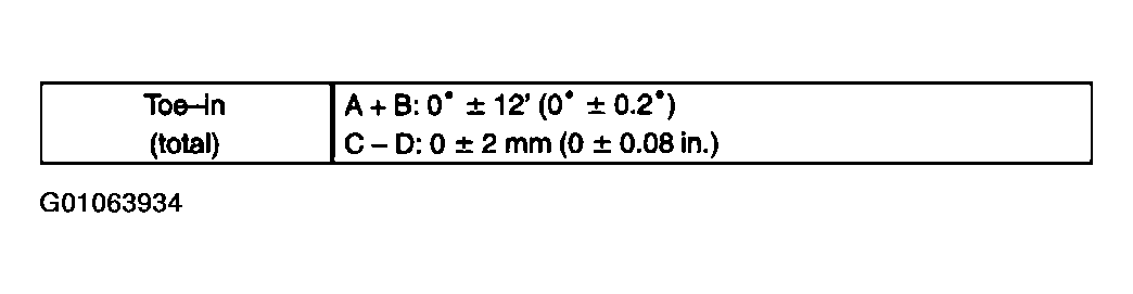
    1. Toe-in:
      Fig 7: Identifying Toe-In Specifications
      G01063934Courtesy of © TOYOTA, LICENSE AGREEMENT TMS1002
      1. If the toe-in is not within the specified value, adjust it at the rack ends.
  4. Adjust toe-in  .
    1. Remove the rack boot set clips.
    2. Loosen the tie rod end lock nuts.
    3. Turn the right and left rack ends by an equal amount to adjust the toe-in.
      NOTE: Try to adjust the toe-in to the center of the specified value.
    4. Make sure that the lengths of the right and left rack ends are the same.
      Fig 8: Checking For Equal Rack End Lengths
      G01063936Courtesy of © TOYOTA, LICENSE AGREEMENT TMS1002
    5. Torque the tie rod end lock nuts.
      1. Torque: 74 N.m (755 kgf.cm, 55 ft.lbf) 
    6. Place the boots on the seats and install the clips.
      NOTE: Make sure that the boots are not twisted.
  5. Inspect wheel angle  .
      Fig 9: Identifying Wheel Turning Angles
      G01063939Courtesy of © TOYOTA, LICENSE AGREEMENT TMS1002
    1. Turn the steering wheel fully and measure the turning angle.
      1. Wheel turning angle:
        1. (4WD)
          Fig 10: Identifying Wheel Turning Angle Specifications (4WD)
          G01063937Courtesy of © TOYOTA, LICENSE AGREEMENT TMS1002
        2. (2WD)
          Fig 11: Identifying Wheel Turning Angle Specifications (2WD)
          G01063938Courtesy of © TOYOTA, LICENSE AGREEMENT TMS1002

          If the right and left inside wheel angles differ from the specified value, check the right and left rack end lengths.

  6. Inspect camber, caster and steering axis inclination  .
    1. Install the camber/caster/kingpin gauge or position vehicle on wheel alignment tester.
      Fig 12: Installing Camber/Caster/Kingpin Gauge
      G01063941Courtesy of © TOYOTA, LICENSE AGREEMENT TMS1002
    2. Inspect the camber, caster and steering axis inclination.
      1. Camber, caster and steering axis inclination:
        1. (4WD)
          Fig 13: Identifying Camber, Caster & Steering Axis Inclination Specifications (4WD)
          G01063940Courtesy of © TOYOTA, LICENSE AGREEMENT TMS1002
        2. (2WD)
          Fig 14: Identifying Camber, Caster & Steering Axis Inclination Specifications (2WD)
          G01063942Courtesy of © TOYOTA, LICENSE AGREEMENT TMS1002

        If the caster and steering axis inclination are not within the specified values, after the camber has been correctly adjusted, recheck the suspension parts for damaged and/or worn out parts.

  7. Adjust camber  .
    NOTE: After the camber has been adjusted, inspect the toe-in.
    1. Remove the front wheel.
    2. Remove the 2 nuts on the lower side of the shock absorber.
      Fig 15: Loosening Lower Shock Absorber
      G01063943Courtesy of © TOYOTA, LICENSE AGREEMENT TMS1002
    3. Clean the installation surfaces of the shock absorber and the steering knuckle.
    4. Temporarily install the 2 nuts.
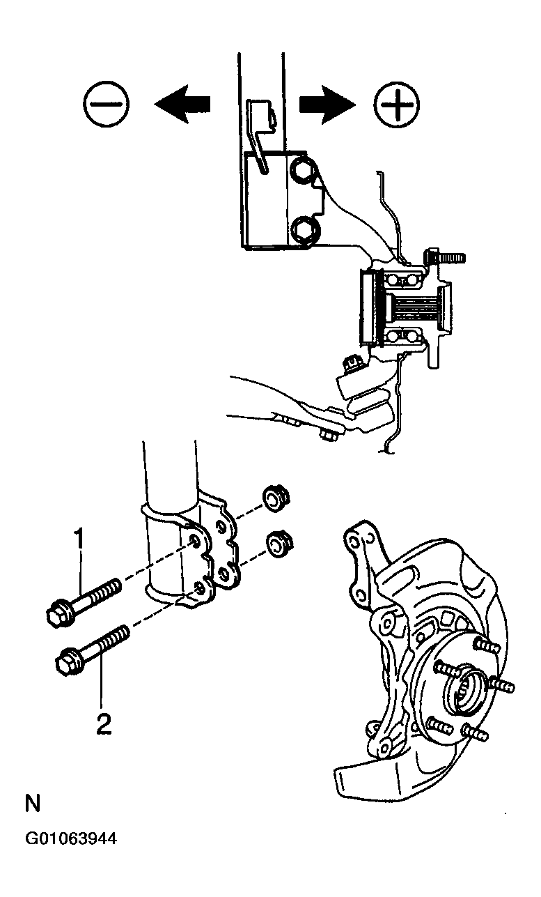
    5. Adjust the camber by pushing or pulling the lower side of the shock absorber in the direction in which the camber adjustment is required.
      Fig 16: Moving Shock Absorber To Adjust Camber
      G01063944Courtesy of © TOYOTA, LICENSE AGREEMENT TMS1002
    6. Tighten the nuts.
      1. Torque: 210 N.m (2,140 kgf.cm, 155 ft.Ibf) 
    7. Install the front wheel.
      1. Torque: 103 N.m (1,050 kgf.cm, 76 ft.Ibf) 
    8. Check the camber.
      NOTE:
      • Try to adjust the camber to the center of the specified value.
      • Adjusting value for the set bolts is 6' - 30' (0.1° - 0.5°).

      If the camber is not within the specified value, using the following table, estimate how much additional camber adjustment will be required, and select the camber adjusting bolt.

      NOTE: Tighten the adjusting bolt with a washer and a new nut.
      Fig 17: Displaying Camber Adjusting Bolt Table
      G01063945Courtesy of © TOYOTA, LICENSE AGREEMENT TMS1002
    9. Do steps  a through  h again. At step  b, replace 1 or 2 selected bolts.
      NOTE: When replacing the 2 bolts, replace 1 bolt for each time.