LEMON Manuals: Even more car manuals for everyone
Home >> Toyota >> 2004 >> Matrix Base, FWD, Automatic >> Repair and Diagnosis >> External Pages >> Different car >> Section 210 (Body Control System) >> Circuit Tests >> Ignition Switch Power Source Circuit >> Circuit Description

Circuit Description

WARNING: This page is about a different car, the 2003 Lexus IS 300 and 2002 Lexus IS 300. However, it is still accessible from the selected car via links, so may be relevant.

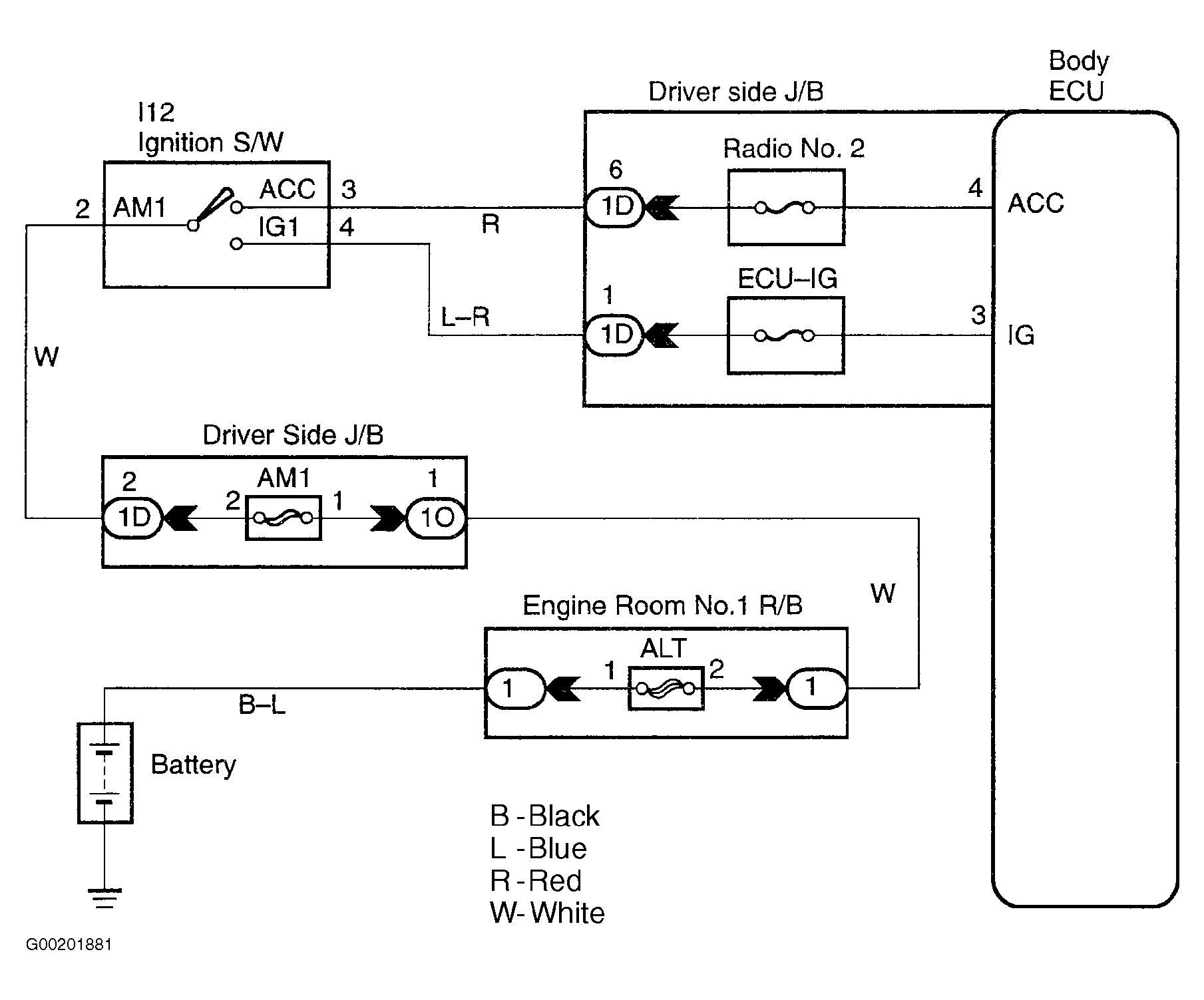
When the ignition switch is turned to the ACC position, battery positive voltage is applied to the terminal No. 4 (ACC) of the body ECU and when the ignition switch is turned to the ON position, battery positive voltage is applied to terminal No. 3 (IG) of the body ECU. For circuit diagram, see Fig 1.

Fig 1: Identifying Ignition Switch Power Source Circuit
G00201881Courtesy of © TOYOTA, LICENSE AGREEMENT TMS1002