LEMON Manuals: Even more car manuals for everyone
Home >> Toyota >> 2004 >> Matrix Base, FWD, Automatic >> Repair and Diagnosis >> External Pages >> Different car >> Section 210 (Body Control System) >> Circuit Tests >> Door Lock Motor Circuit >> Circuit Description

Circuit Description

WARNING: This page is about a different car, the 2003 Lexus IS 300 and 2002 Lexus IS 300. However, it is still accessible from the selected car via links, so may be relevant.

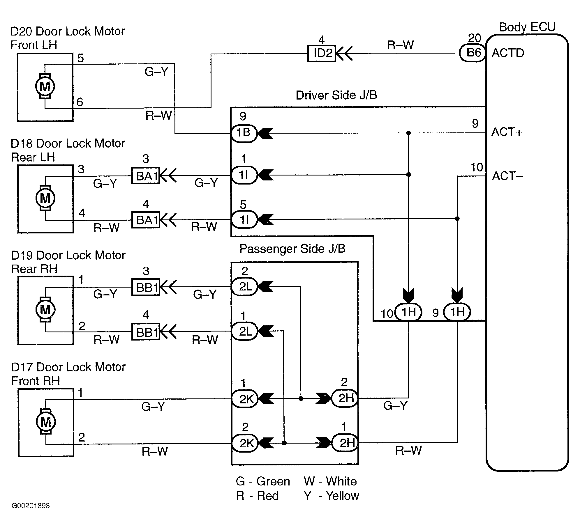
For circuit diagram, see Fig 1.

Fig 1: Identifying Door Lock Motor Circuit
G00201893Courtesy of © TOYOTA, LICENSE AGREEMENT TMS1002