LEMON Manuals: Even more car manuals for everyone
Home >> Toyota >> 2004 >> Matrix Base, FWD, Automatic >> Repair and Diagnosis >> External Pages >> Different car >> Section 160 (Body Control Systems) >> Circuit Tests >> Light Control Switch Circuit >> Inspection Procedure

Inspection Procedure

WARNING: This page is about a different car, the 2003 Lexus GS 430, 2003 Lexus GS 300, 2002 Lexus GS 430, and 2002 Lexus GS 300. However, it is still accessible from the selected car via links, so may be relevant.

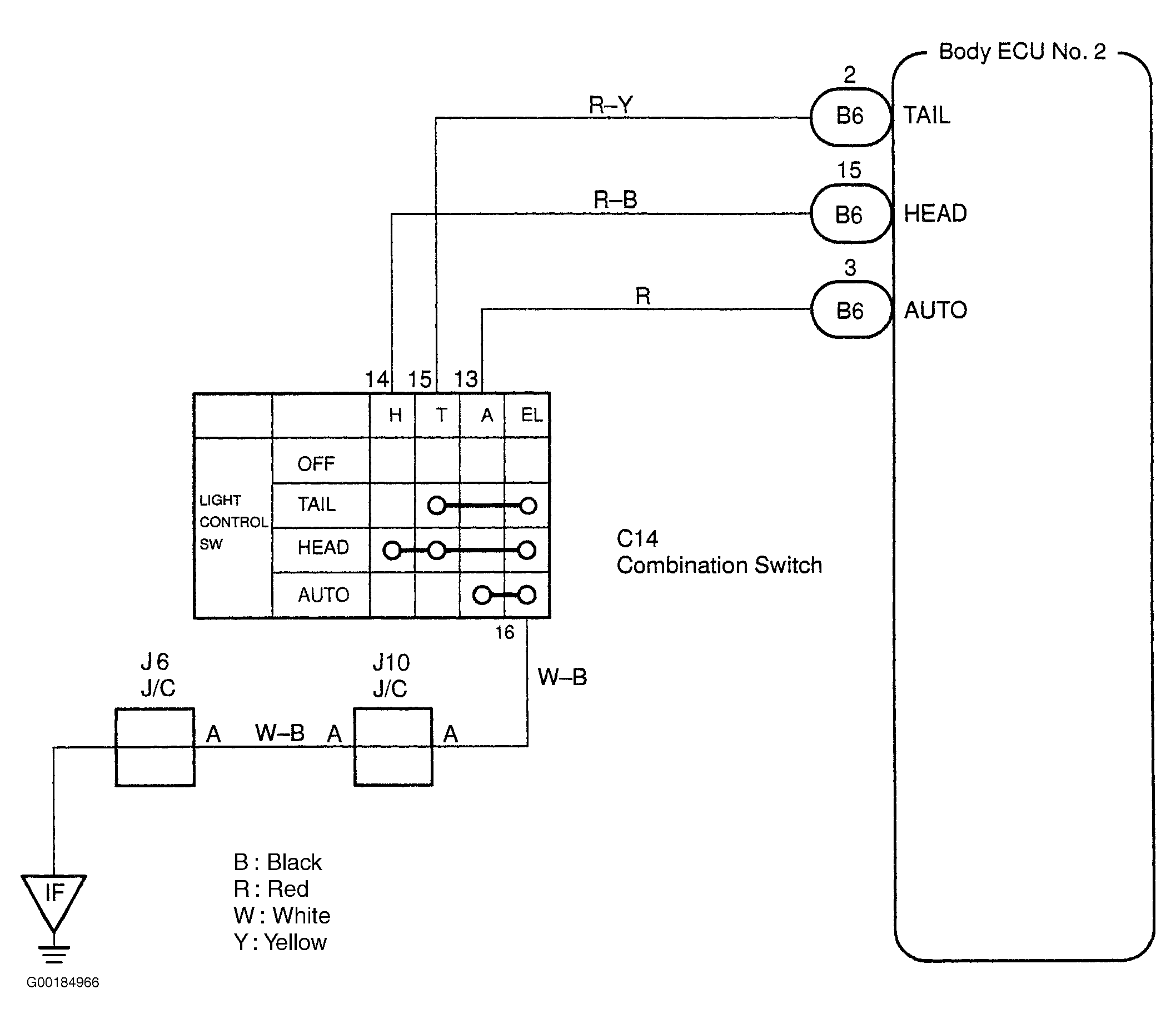
For circuit wiring diagram, see Fig 1.

NOTE: If using the hand-held tester, start the inspection from step  1 and if not using the hand-held tester, start from step  2.
  1. Check the headlight control switch using the hand-held tester. Connect the hand-held tester to DLC3. See Figure. Check the headlight control switch using DATA LIST. See Fig 2. If the results are not OK, perform the next test procedure of the problem symptom. See BODY ECU NO. 2 PROBLEM SYMPTOM INDEX  table. If the results are not OK, go to the next step.
  2. Check the headlight control switch. See LIGHT CONTROL SWITCH article under COMPONENT TESTS in STEERING COLUMN SWITCHES. If the results are OK, go to the next step. If the results are not OK, replace the headlight control switch.
  3. Check for short to power, short to ground and continuity in the wiring harness and connector between the headlight control switch and body ECU No. 2. If the results are OK, perform the next test procedure of the problem symptom. See BODY ECU NO. 2 PROBLEM SYMPTOM INDEX  table. If the results are not OK, repair or replace the wiring harness or connector.
Fig 1: Light Control Switch Circuit Wiring Diagram
G00184966Courtesy of © TOYOTA, LICENSE AGREEMENT TMS1002
Fig 2: Identifying Headlight Control Switch DATA LIST
G00184967Courtesy of © TOYOTA, LICENSE AGREEMENT TMS1002