LEMON Manuals: Even more car manuals for everyone
Home >> Toyota >> 2004 >> Matrix Base, FWD, Automatic >> Repair and Diagnosis >> External Pages >> Different car >> Section 160 (Body Control Systems) >> Circuit Tests >> Lamp Failure Sensor Circuit >> Inspection Procedure

Inspection Procedure

WARNING: This page is about a different car, the 2003 Lexus GS 430, 2003 Lexus GS 300, 2002 Lexus GS 430, and 2002 Lexus GS 300. However, it is still accessible from the selected car via links, so may be relevant.

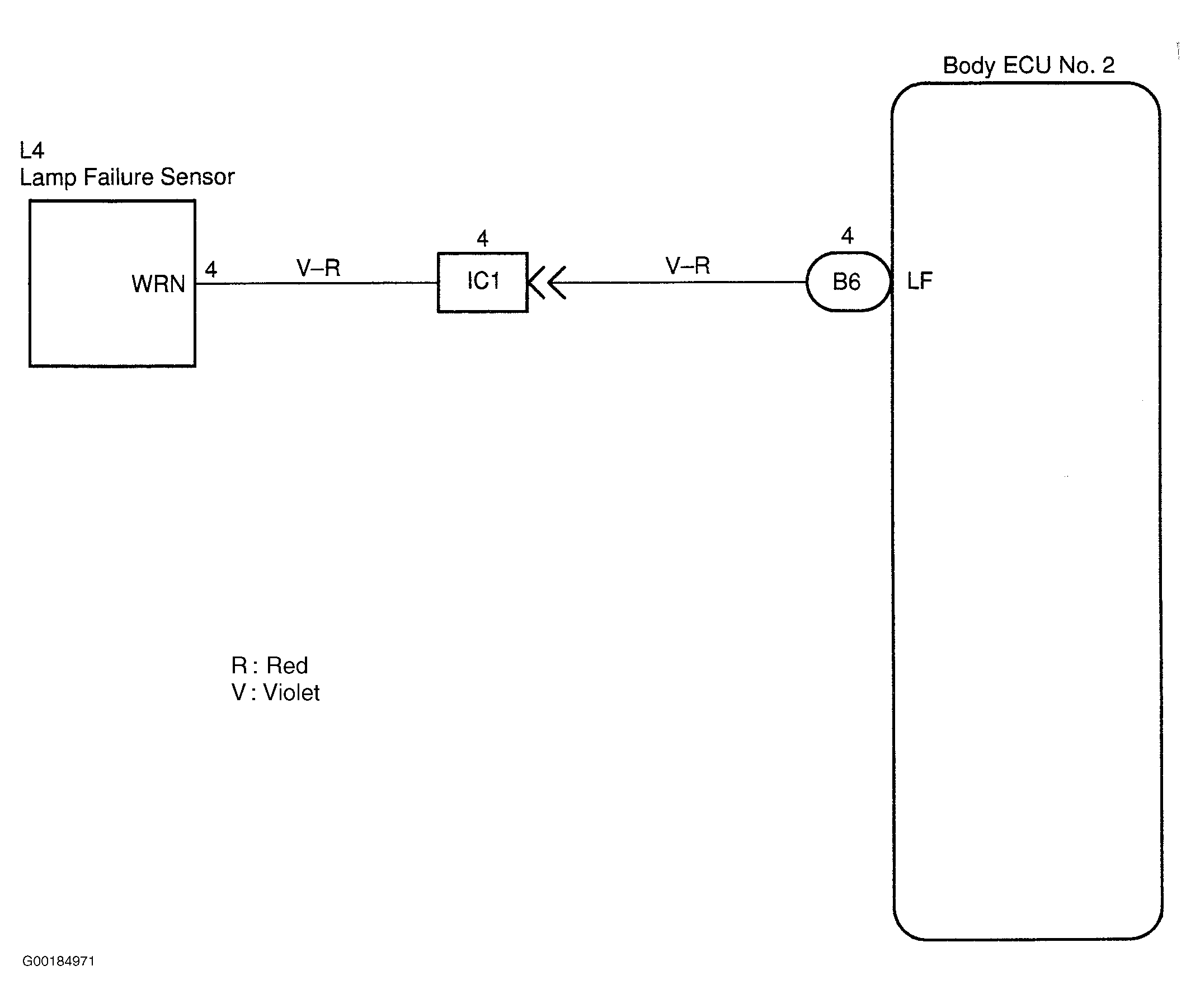
For circuit wiring diagram, see Fig 1.

NOTE: If using the hand-held tester, start the inspection from step  1 and if not using the hand-held tester, start from step  2.
  1. Check the lamp failure sensor using the hand-held tester. Connect the hand-held tester to DLC3. See Figure. Remove either bulb of the stop light high mount stop light or taillight and check the operation of the lamp failure sensor with DATA LIST. See LAMP FAILURE SENSOR DATA LIST  table. If the results are OK, inspect the instrument cluster. See INSTRUMENT PANEL article. If the results are not OK, go to the next step.
    LAMP FAILURE SENSOR DATA LIST

    Lamp Condition Lamp Failure Sensor (Tester Display)
    Normal OFF
    Lamp Wire Break (Or Removed) ON
  2. Check for short to power, short to ground and continuity in the wiring harness and connector between the lamp failure sensor and body ECU No. 2. If the results are OK, inspect the instrument cluster. See INSTRUMENT PANEL article. If the results are not OK, repair or replace the wiring harness or connector.
Fig 1: Lamp Failure Sensor Circuit Wiring Diagram
G00184971Courtesy of © TOYOTA, LICENSE AGREEMENT TMS1002