LEMON Manuals: Even more car manuals for everyone
Home >> Toyota >> 2004 >> Matrix Base, FWD, Automatic >> Repair and Diagnosis >> External Pages >> Different car >> Section 140 (Engine Controls - System & Component Testing - V6 & V8) >> Computerized Engine Controls >> Fuel Pump Control Circuit >> Sequoia

Fuel Pump Control Circuit: Sequoia

WARNING: This page does not describe the selected car, but rather 10 other vehicles, including the 2003 Toyota Tundra, 2003 Toyota Tacoma, 2003 Toyota Sienna, 2003 Toyota Sequoia, and 2003 Toyota Land Cruiser. However, it is still accessible from the selected car via links, so may be relevant.

For fuel pump control circuit inspection and wiring diagram, see Fig 1-Fig 7 . To check fuel pump relay, see FUEL PUMP RELAY  under MODULES, MOTORS, RELAYS & SOLENOIDS. To check fuel pump operation, see FUEL DELIVERY  under FUEL SYSTEMS. To check circuit opening relay, see CIRCUIT OPENING RELAY  under MODULES, MOTORS, RELAYS & SOLENOIDS. For circuit identification, see ENGINE PERFORMANCE in appropriate SYSTEM WIRING DIAGRAMS article in ELECTRICAL. To check fuel pump resistor operation, see FUEL DELIVERY  under FUEL SYSTEMS.

Fig 1: Fuel Pump Control Circuit Description & Diagram (Sequoia)
G00247776Courtesy of © TOYOTA, LICENSE AGREEMENT TMS1002
Fig 2: Fuel Pump Control Circuit Inspection Using Hand-Held Tester - Steps 1-3 (Sequoia)
G00247777Courtesy of © TOYOTA, LICENSE AGREEMENT TMS1002
Fig 3: Fuel Pump Control Circuit Inspection Using Hand-Held Tester - Steps 4-7 (Sequoia)
G00247778Courtesy of © TOYOTA, LICENSE AGREEMENT TMS1002
Fig 4: Fuel Pump Control Circuit Inspection Using Hand-Held Tester - Step 8; Using OBD II Scan Tool - Steps 1-3 (Sequoia)
G00247779Courtesy of © TOYOTA, LICENSE AGREEMENT TMS1002
Fig 5: Fuel Pump Control Circuit Inspection Using OBD II Scan Tool - Steps 4-6 (Sequoia)
G00247780Courtesy of © TOYOTA, LICENSE AGREEMENT TMS1002
Fig 6: Fuel Pump Control Circuit Inspection Using OBD II Scan Tool - Step 7 (Sequoia)
G00247781Courtesy of © TOYOTA, LICENSE AGREEMENT TMS1002
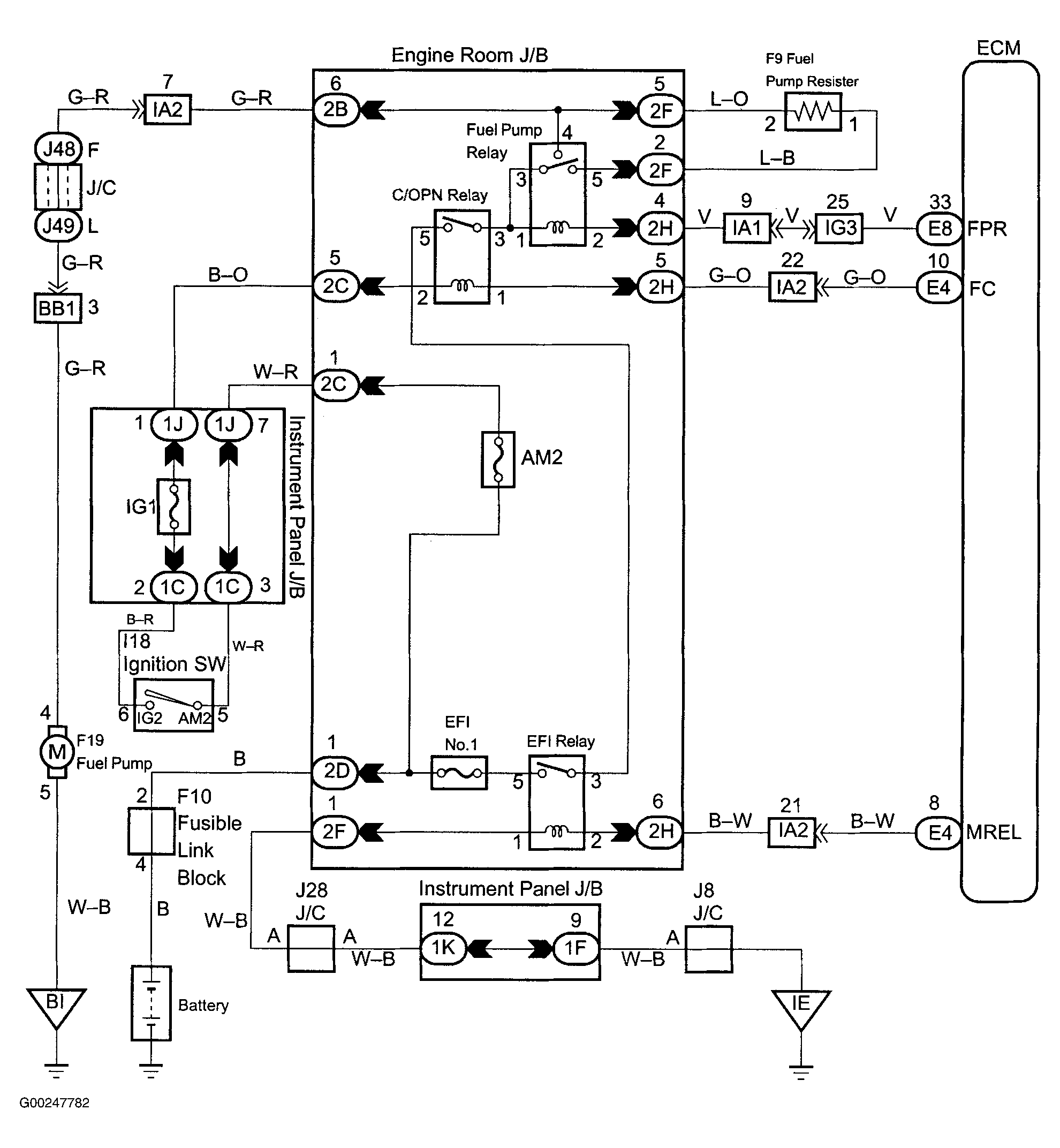
Fig 7: Fuel Pump Control Wiring Diagram (Sequoia)
G00247782Courtesy of © TOYOTA, LICENSE AGREEMENT TMS1002