LEMON Manuals: Even more car manuals for everyone
Home >> Toyota >> 2004 >> Matrix Base, FWD, Automatic >> Repair and Diagnosis >> External Pages >> Different car >> Section 139 (Engine Controls - System & Component Testing - 4-Cylinder) >> Computerized Engine Controls >> Starter Motor Signal Circuit >> Corolla

Starter Motor Signal Circuit: Corolla

WARNING: This page does not describe the selected car, but rather 11 other vehicles, including the 2003 Toyota Tacoma, 2003 Toyota RAV4, 2003 Toyota Prius, 2003 Toyota Matrix, and 2003 Toyota MR2. However, it is still accessible from the selected car via links, so may be relevant.

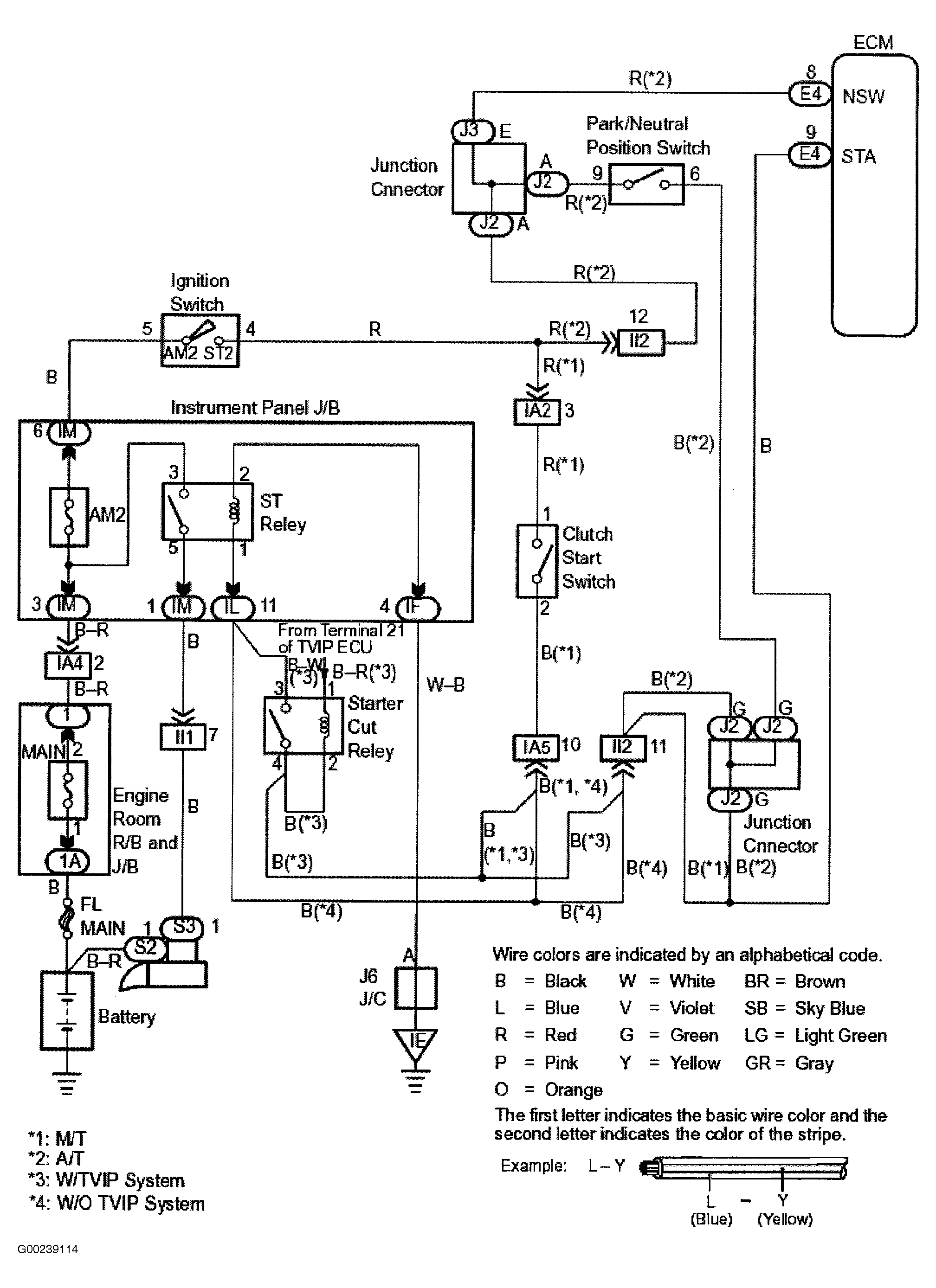
For starter signal circuit inspection and wiring diagram, see Fig 1-Fig 4 . Before replacing ECM, check ECM connectors and ground circuits. See ENGINE CONTROL MODULE POWER & GROUND CIRCUITS .

Fig 1: Starter Motor Signal Wiring Diagram (Corolla)
G00239114Courtesy of © TOYOTA, LICENSE AGREEMENT TMS1002
Fig 2: Starter Motor Signal Circuit Inspection Using Toyota Hand-Held Tester - Steps 1-2 (Corolla)
G00239115Courtesy of © TOYOTA, LICENSE AGREEMENT TMS1002
Fig 3: Starter Motor Signal Circuit Inspection Using OBD II Scan Tool - Steps 1-2 (Corolla)
G00239116Courtesy of © TOYOTA, LICENSE AGREEMENT TMS1002
Fig 4: Locating Data Link Connector No. 3 (Corolla & Matrix)
G97I28868Courtesy of © TOYOTA, LICENSE AGREEMENT TMS1002