LEMON Manuals: Even more car manuals for everyone
Home >> Toyota >> 2004 >> Matrix Base, FWD, Automatic >> Repair and Diagnosis >> Engine Performance >> System >> Engine Control System (SFI) - Diagnostics (1ZZ-FE) >> Stop Light Switch Circuit >> Wiring Diagram

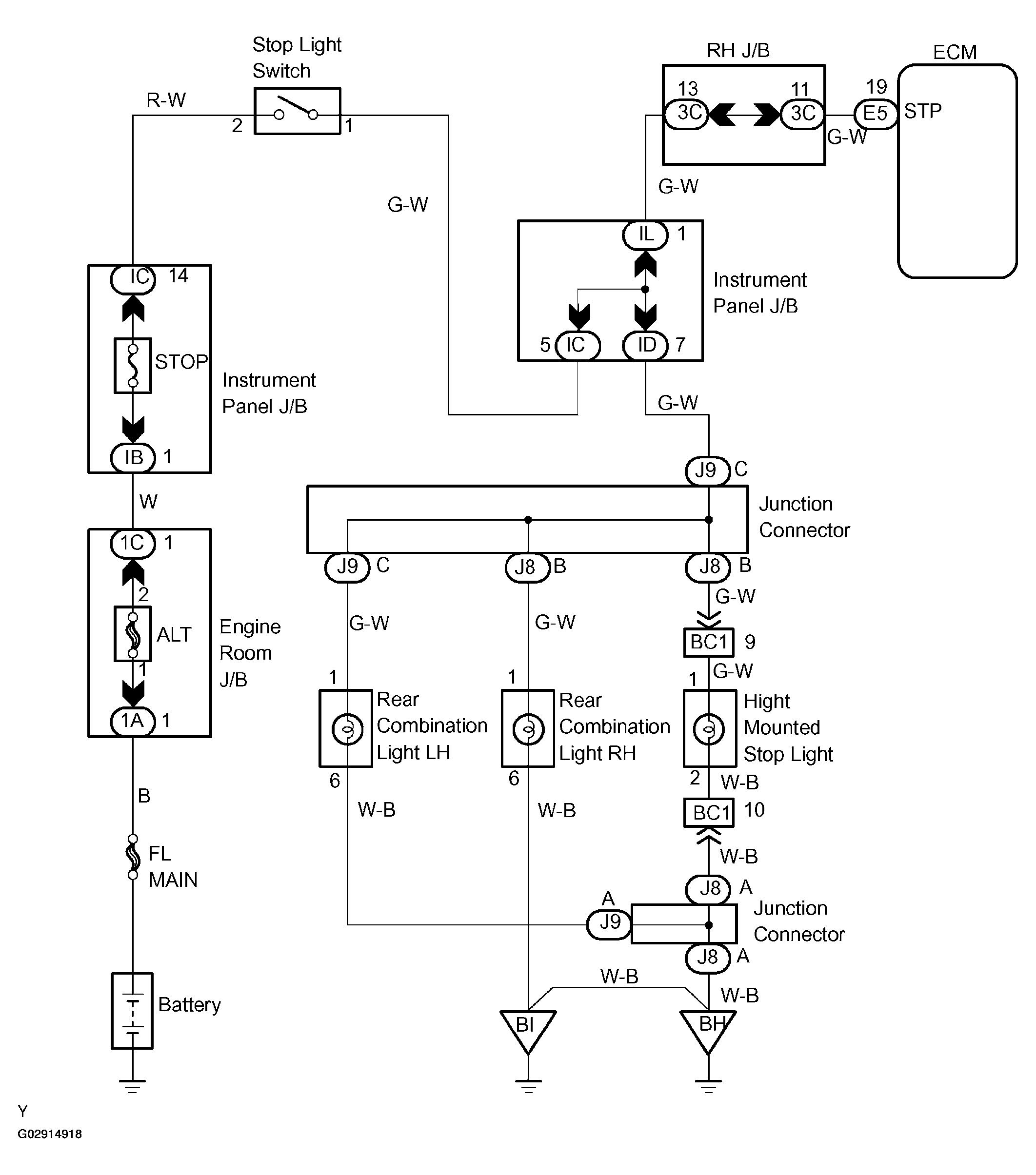
Stop Light Switch Circuit: Wiring Diagram

Fig 1: Wiring Diagram Stop Light Switch Circuit
G02914918Courtesy of © TOYOTA, LICENSE AGREEMENT TMS1002