LEMON Manuals: Even more car manuals for everyone
Home >> Toyota >> 2004 >> Matrix Base, 4WD >> Repair and Diagnosis >> External Pages >> Different car >> Section 133 (Engine Control System Self Diagnostics) >> Diagnostic Tests >> DTC P0451: EVAP Emission Control System Pressure Sensor/Switch Range/Performance, DTC P0452: EVAP Emission Control System Pressure Sensor/Switch Low Input Or DTC P0453: EVAP Emission Control System Pressure Sensor/Switch High Input >> Diagnosis & Repair

Diagnosis & Repair

WARNING: This page is about a different car, the 2003 Toyota Sequoia. However, it is still accessible from the selected car via links, so may be relevant.
NOTE: Using Toyota hand-held tester or scan tool, read FREEZE FRAME data. Freeze frame data records engine conditions when malfunction is detected.

For diagnosis and repair procedure, see Fig 1. For step 1) and step 2) perform steps 22) and 23) in Figure respectively.

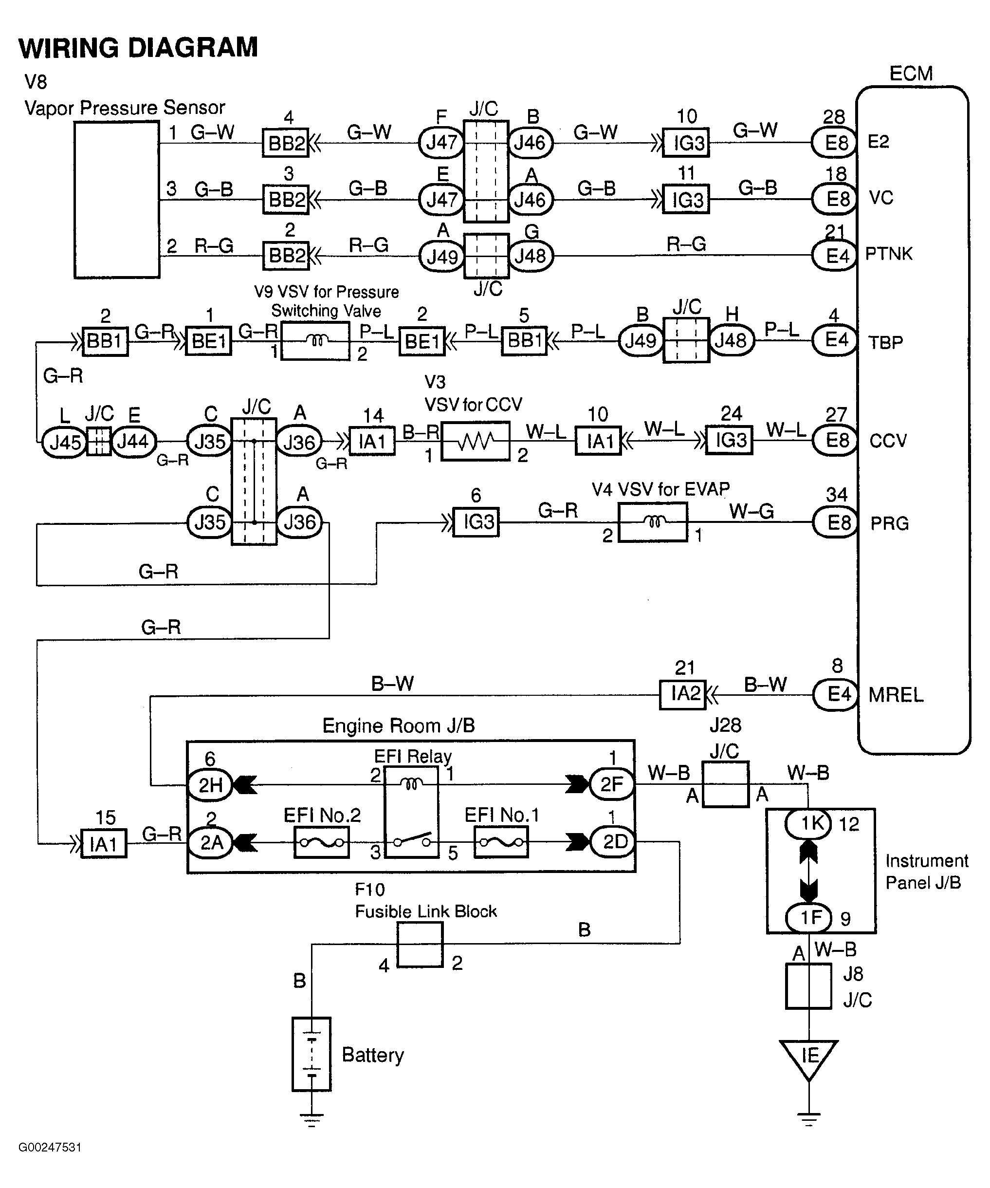
For ECM location, see Figure. For ECM connector view, see Figure. For EVAP system circuit wiring diagram, see Figure. For testing of systems or components, see SYSTEM & COMPONENT TESTING - V6 & V8 article. For removal and installation of components, see REMOVAL & INSTALLATION - V6 & V8 article.

Fig 1: DTCs P0451, P0452 & P0453 Diagnostic Procedure
G00238961Courtesy of © TOYOTA, LICENSE AGREEMENT TMS1002