LEMON Manuals: Even more car manuals for everyone
Home >> Toyota >> 2004 >> Matrix Base, 4WD >> Repair and Diagnosis >> External Pages >> Different car >> Section 132 (Engine Control System Self Diagnostics) >> Diagnostic Tests >> DTC P0500: Vehicle Speed Sensor Circuit >> Diagnosis & Repair

Diagnosis & Repair

WARNING: This page is about a different car, the 2003 Toyota RAV4. However, it is still accessible from the selected car via links, so may be relevant.
NOTE: Using Toyota hand-held tester or scan tool, read FREEZE FRAME data. Freeze frame data records engine conditions when malfunction is detected.

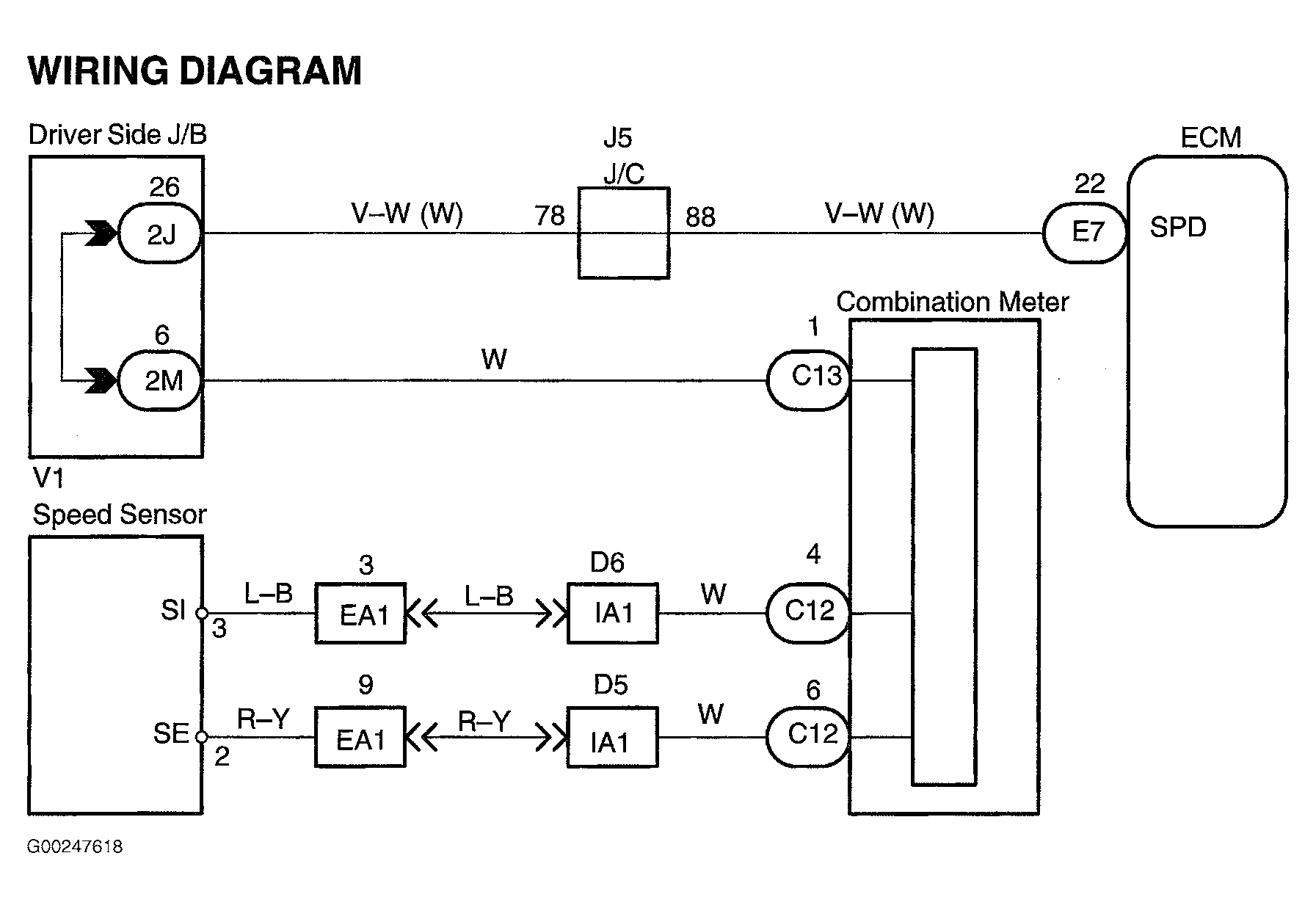
For diagnosis and repair procedure, see Fig 1. For circuit wiring diagram, see Fig 2.

When access to, or replacement of ECM is necessary, Engine Control Module (ECM) is located behind glove box. See Figure. For ECM connector terminal view, see Figure.

To check speedometer circuit, see appropriate INSTRUMENT PANELS article in ACCESSORIES & EQUIPMENT. For testing of systems or components, see SYSTEM & COMPONENT TESTING - 4-CYLINDER article. For removal and installation of components, see REMOVAL, OVERHAUL & INSTALLATION - 4-CYLINDER article.

Fig 1: DTC P0500 Diagnostic Procedure
G00247619Courtesy of © TOYOTA, LICENSE AGREEMENT TMS1002
Fig 2: VSS Circuit Wiring Diagram
G00247618Courtesy of © TOYOTA, LICENSE AGREEMENT TMS1002