LEMON Manuals: Even more car manuals for everyone
Home >> Toyota >> 2003 >> Matrix Base, FWD, Standard >> Repair and Diagnosis >> External Pages >> Different car >> Section 320 (Multiplex Communication System - Diagnostics) >> Circuit Inspection >> Power Source Circuit >> Wiring Diagram

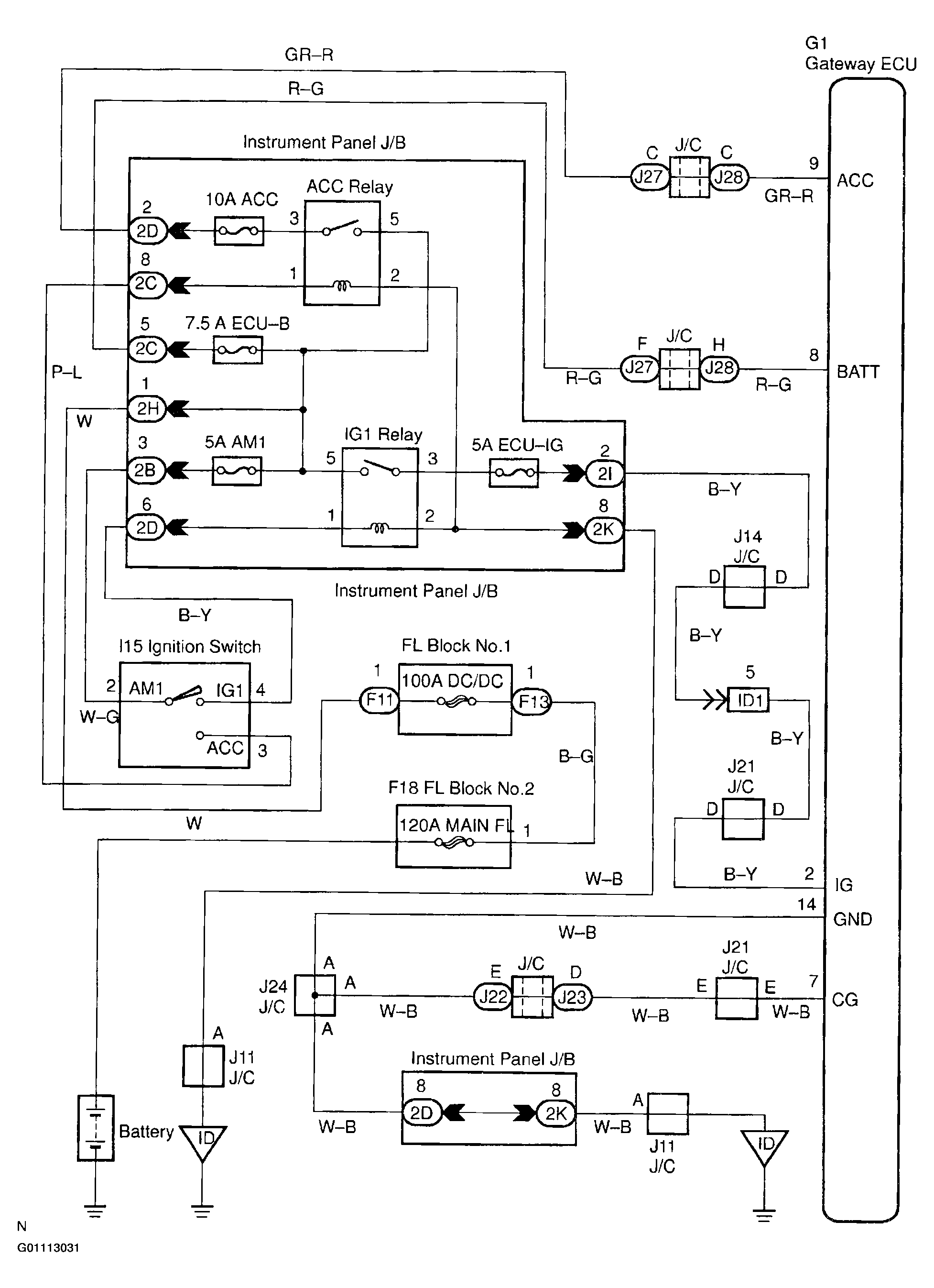
Power Source Circuit: Wiring Diagram

WARNING: This page is about a different car, the 2002 Toyota Prius. However, it is still accessible from the selected car via links, so may be relevant.
Fig 1: Power Source Circuit
G01113031Courtesy of © TOYOTA, LICENSE AGREEMENT TMS1002