LEMON Manuals: Even more car manuals for everyone
Home >> Toyota >> 2003 >> Matrix Base, FWD, Automatic >> Repair and Diagnosis >> External Pages >> Different car >> Section 260 (Body Control Systems - Diagnostics) >> Circuit Inspection >> Light Control Switch Circuit >> Wiring Diagram

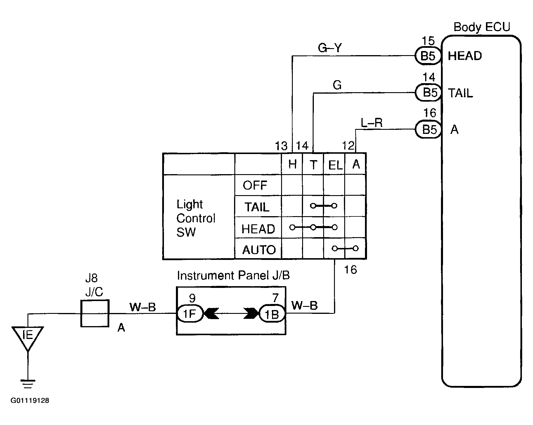
Light Control Switch Circuit: Wiring Diagram

WARNING: This page is about a different car, the 2002 Toyota Sequoia. However, it is still accessible from the selected car via links, so may be relevant.
Fig 1: Light Control Switch Circuit
G01119128Courtesy of © TOYOTA, LICENSE AGREEMENT TMS1002