LEMON Manuals: Even more car manuals for everyone
Home >> Toyota >> 2003 >> Matrix Base, FWD, Automatic >> Repair and Diagnosis >> External Pages >> Different car >> Section 260 (Body Control Systems - Diagnostics) >> Circuit Inspection >> Headlight Dimmer Switch Circuit >> Wiring Diagram

Headlight Dimmer Switch Circuit: Wiring Diagram

WARNING: This page is about a different car, the 2002 Toyota Sequoia. However, it is still accessible from the selected car via links, so may be relevant.
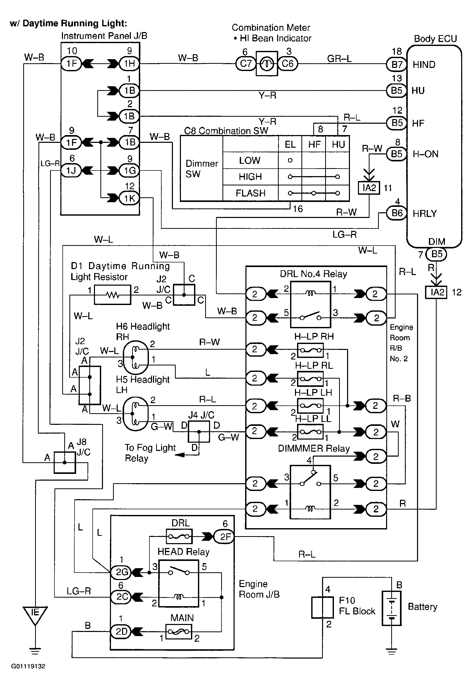
Fig 1: Headlight Dimmer Switch Circuit (W/D.R.L.)
G01119132Courtesy of © TOYOTA, LICENSE AGREEMENT TMS1002
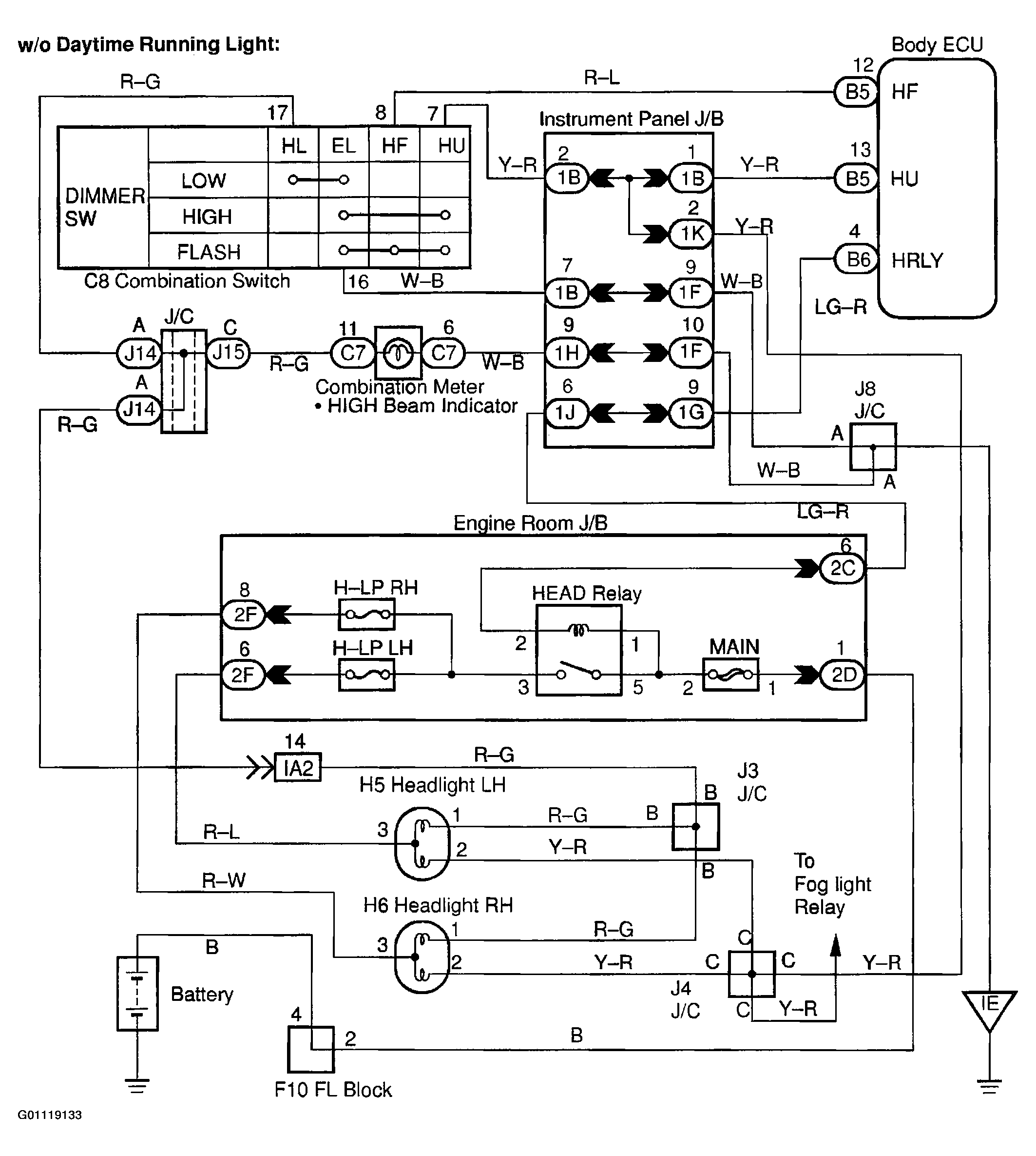
Fig 2: Headlight Dimmer Switch Circuit (W/O D.R.L.)
G01119133Courtesy of © TOYOTA, LICENSE AGREEMENT TMS1002