LEMON Manuals: Even more car manuals for everyone
Home >> Toyota >> 2003 >> Matrix Base, FWD, Automatic >> Repair and Diagnosis >> External Pages >> Different car >> Section 21 (Engine Controls - System & Component Testing - V6 & V8) >> Computerized Engine Controls >> Starter Signal Circuit >> Land Cruiser

Land Cruiser

WARNING: This page does not describe the selected car, but rather 10 other vehicles, including the 2002 Toyota Tundra, 2002 Toyota Tacoma, 2002 Toyota Sienna, 2002 Toyota Sequoia, and 2002 Toyota Land Cruiser. However, it is still accessible from the selected car via links, so may be relevant.
  1. If Toyota hand-held tester is available, go to next step. If Toyota hand-held tester is not available, go to step  5.
  2. Connect hand-held tester to data link connector No. 3 at driver's side of instrument panel. See Figure. Turn ignition on and then turn hand-held tester on. Read STA signal display on hand-held tester with ignition on and with ignition switch in START position and engine cranking. The STA signal display should read OFF with ignition on and ON with ignition switch in START position. If STA signal display is not as specified, go to next step. If STA signal display is as specified, diagnose by symptom. See TROUBLE SHOOTING - NO CODES article.
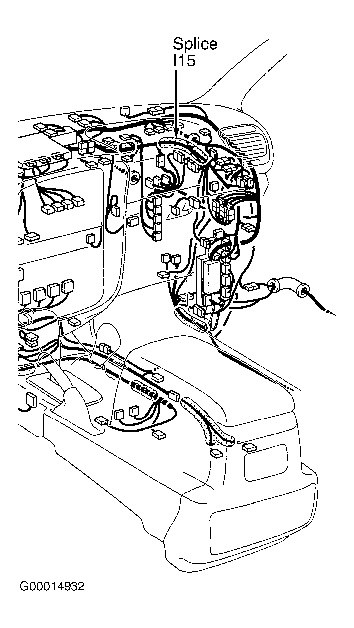
  3. Check for open and short in Black/Red wire and electrical connectors between terminal No. 7 at Engine Control Module (ECM) electrical connector E8 and splice I15. See WIRING DIAGRAMS article. This is the wiring circuit between ECM and starter relay. For ECM electrical connector terminal identification, see Figure. Splice I15 is located behind passenger's side of instrument panel. See Fig 1. Starter relay is located in fuse/relay box at driver's side front corner of engine compartment.
    Fig 1: Locating Splice I15 (Land Cruiser)
    G00014932Courtesy of © TOYOTA, LICENSE AGREEMENT TMS1002
  4. If wiring harness or electrical connector are defective, repair as necessary. If wiring harness and electrical connectors are okay, check ECM ground circuit. See WIRING DIAGRAMS article. If ECM ground circuit is defective, repair ground circuit as necessary. If ECM ground circuit is okay, replace ECM. If ECM is replaced, ECM must be programmed with proper ignition key code for engine immobilizer system. For programming procedures, see COMPUTER RELEARN PROCEDURES article in GENERAL INFORMATION, or appropriate ENGINE IMMOBILIZER SYSTEMS article in ACCESSORIES & EQUIPMENT.
  5. Remove glove box for access to Engine Control Module (ECM). For illustration of ECM location, see THEORY & OPERATION article. Note ECM electrical connector terminals. See Figure.
  6. Using voltmeter, check voltage between body ground and terminal No. 7 (Black/Red wire) at ECM electrical connector E8 with ignition switch in START position and engine cranking. This is the STA terminal at ECM. Voltage should be 6 volts or more. If voltage is not within specification, go to next step. If voltage is within specification, diagnose by symptom. See TROUBLE SHOOTING - NO CODES article.
  7. Check for open and short in Black/Red wire and electrical connectors between terminal No. 7 at ECM electrical connector E8 and splice I15. See WIRING DIAGRAMS article. This is the wiring circuit between ECM and starter relay. Splice I15 is located behind passenger's side of instrument panel. See Fig 1. Starter relay is located in fuse/relay box at driver's side front corner of engine compartment.
  8. If wiring harness or electrical connector are defective, repair as necessary. If wiring harness and electrical connectors are okay, check ECM ground circuit. See WIRING DIAGRAMS article. If ECM ground circuit is defective, repair ground circuit as necessary. If ECM ground circuit is okay, replace ECM. If ECM is replaced, ECM must be programmed with proper ignition key code for engine immobilizer system. For programming procedures, see COMPUTER RELEARN PROCEDURES article in GENERAL INFORMATION, or appropriate ENGINE IMMOBILIZER SYSTEMS article in ACCESSORIES & EQUIPMENT.