LEMON Manuals: Even more car manuals for everyone
Home >> Toyota >> 2003 >> Matrix Base, FWD, Automatic >> Repair and Diagnosis >> Engine Performance >> System >> Engine Control System Self Diagnostics >> Diagnostic Tests >> DTC P0440: EVAP System Malfunction & DTC P0442: EVAP System Malfunction >> Diagnosis & Repair

Diagnosis & Repair

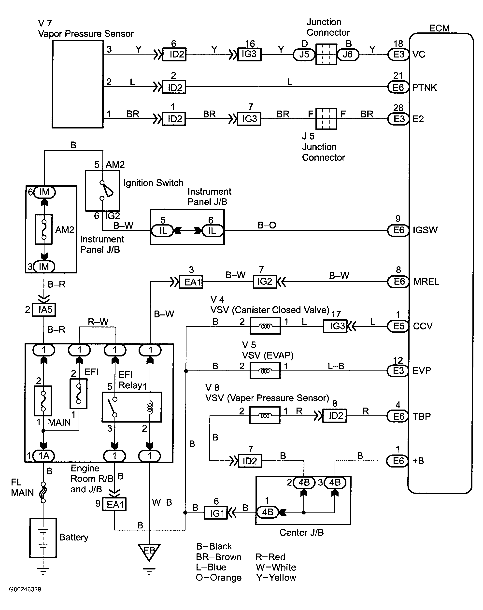
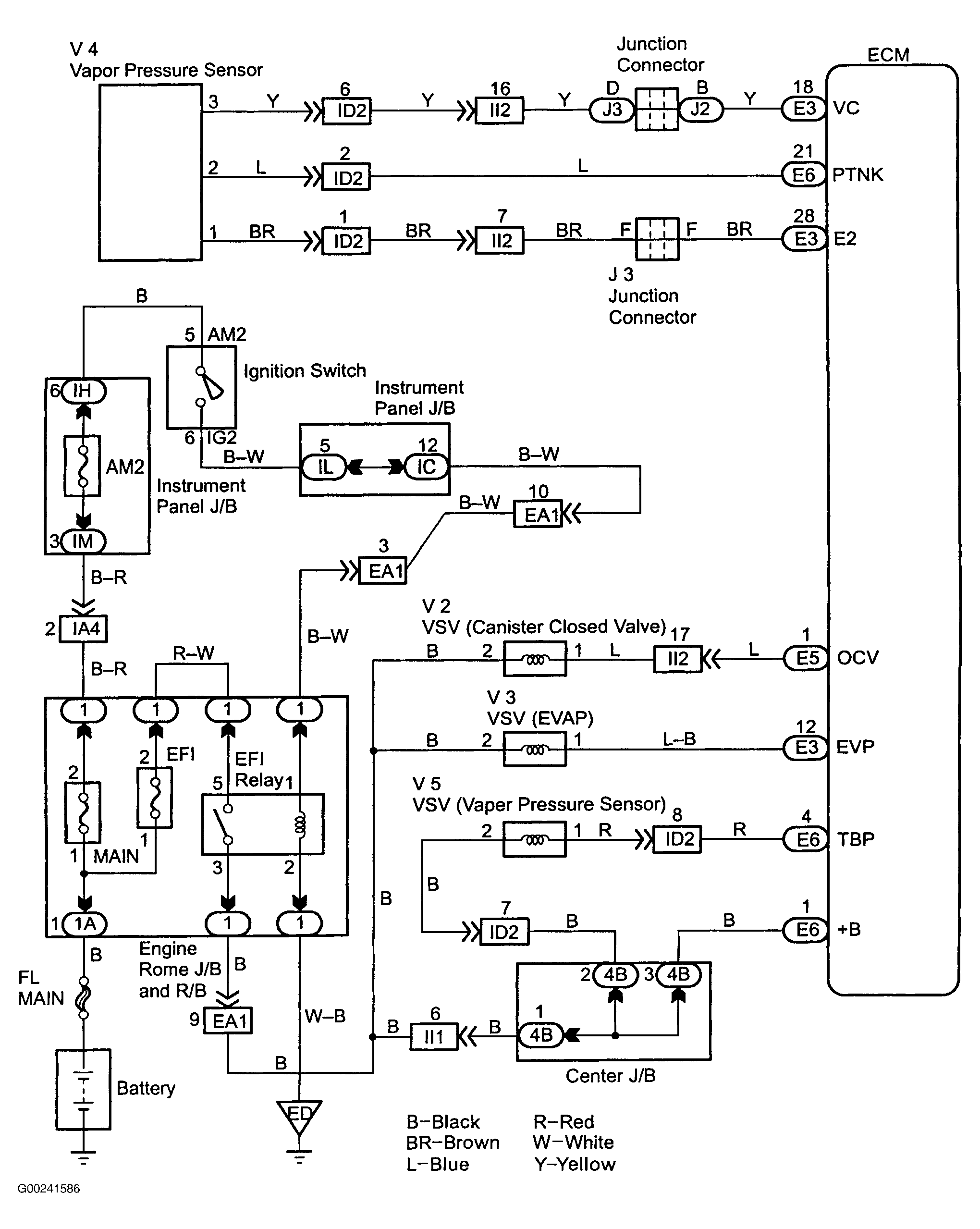
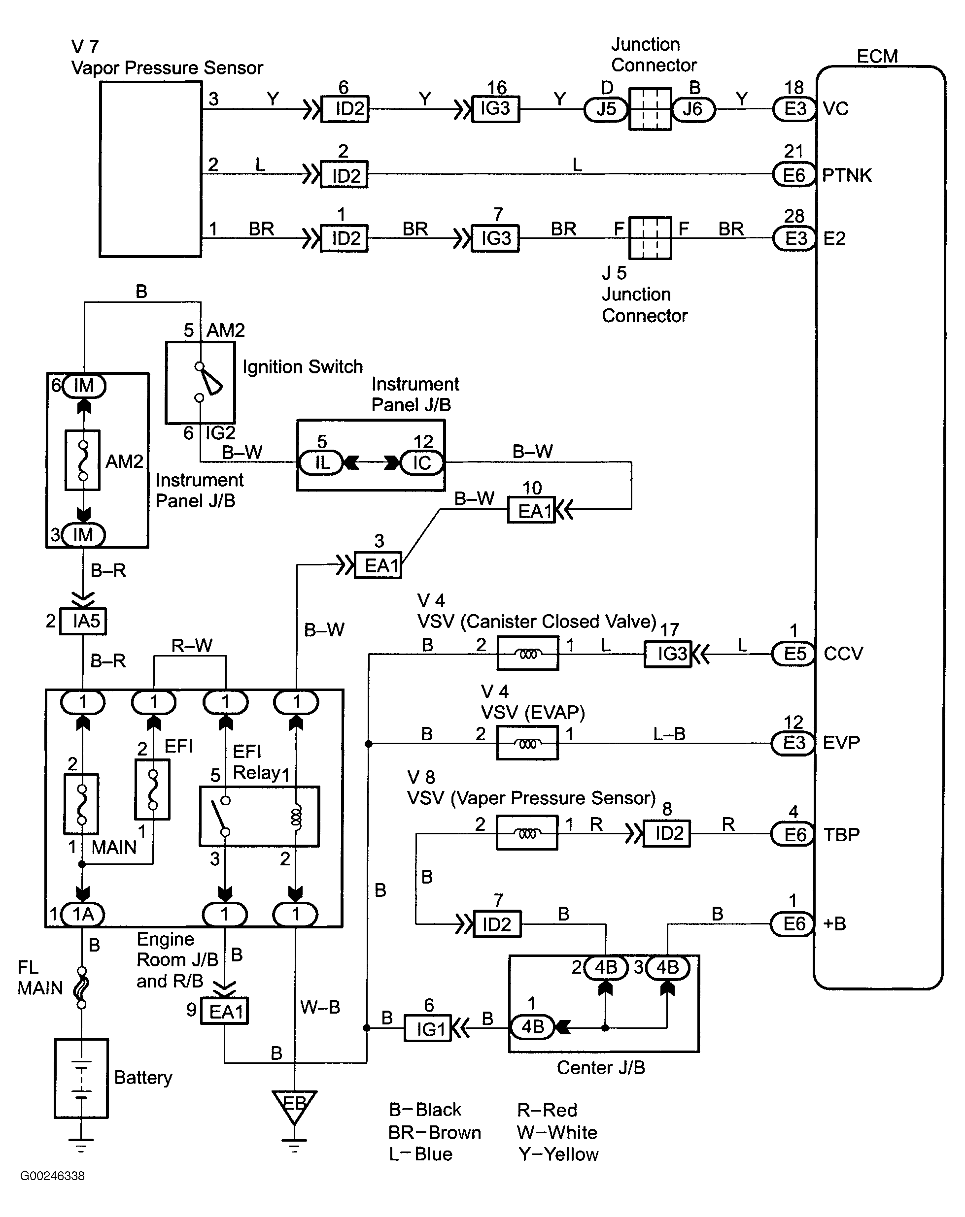
For wiring diagram of Corolla model, see Fig 1. For wiring diagram of Matrix (1ZZ-FE engine) model, see Fig 2. For wiring diagram of Matrix (2ZZ-GE engine) model, see Fig 3. For diagnosis and repair, see Fig 4-Fig 7. For testing of components, see SYSTEM & COMPONENT TESTING - 4-CYLINDER article. For removal and installation of components, see REMOVAL & INSTALLATION - 4-CYLINDER article. To check ECM inputs and outputs, see PIN VOLTAGE CHARTS article. To identify circuits referenced in testing, See ENGINE PERFORMANCE in SYSTEM WIRING DIAGRAMS article in ELECTRICAL.

Fig 1: DTCs P0440 & P0442 Wiring Diagram (Corolla)
G00241586Courtesy of © TOYOTA, LICENSE AGREEMENT TMS1002
Fig 2: DTCs P0440 & P0442 Wiring Diagram (Matrix 1ZZ-FE Engine)
G00246338Courtesy of © TOYOTA, LICENSE AGREEMENT TMS1002
Fig 3: DTCs P0440 & P0442 Wiring Diagram (Matrix 2ZZ-GE Engine)
G00246339Courtesy of © TOYOTA, LICENSE AGREEMENT TMS1002
Fig 4: DTCs P0440 & P0442 Diagnostic Procedure (Step 1)
G00241589Courtesy of © TOYOTA, LICENSE AGREEMENT TMS1002
Fig 5: DTCs P0440 & P0442 Diagnostic Procedure (Steps 2-4)
G00241590Courtesy of © TOYOTA, LICENSE AGREEMENT TMS1002
Fig 6: DTCs P0440 & P0442 Diagnostic Procedure (Steps 5-8)
G00246289Courtesy of © TOYOTA, LICENSE AGREEMENT TMS1002
Fig 7: DTCs P0440 & P0442 Diagnostic Procedure (Steps 9-12)
G00246290Courtesy of © TOYOTA, LICENSE AGREEMENT TMS1002