LEMON Manuals: Even more car manuals for everyone
Home >> Toyota >> 2003 >> Matrix Base, 4WD >> Repair and Diagnosis >> External Pages >> Different car >> Section 176 (Engine Controls - System & Component Testing) >> Motors & Relays >> Circuit Opening Relay

Circuit Opening Relay

WARNING: This page is about a different car, the 2003 Lexus GX 470. However, it is still accessible from the selected car via links, so may be relevant.
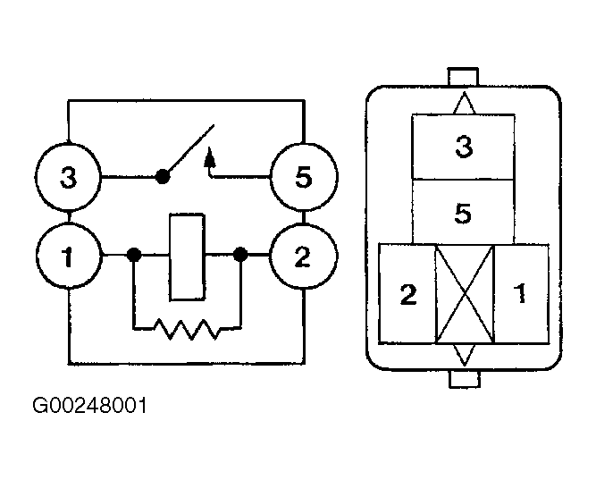
  1. To test relay continuity, use ohmmeter to check for continuity and no continuity between specified terminals on C/OPN relay. See Fig 1. If there is no continuity between terminals No. 1 and 2, or there is continuity between terminals No. 3 and 5, replace relay.
  2. Apply battery positive voltage across terminals No. 1 and 2. Using an ohmmeter, check that there is continuity between terminals No. 3 and 5. If there is no continuity, replace relay.
Fig 1: Identifying Relay Terminals
G00248001Courtesy of © TOYOTA, LICENSE AGREEMENT TMS1002