LEMON Manuals: Even more car manuals for everyone
Home >> Toyota >> 1998 >> Tercel Standard >> Repair and Diagnosis >> Body & Frame >> Power Windows >> Component Tests >> Power Main Relay Test >> Except Tercel

Except Tercel

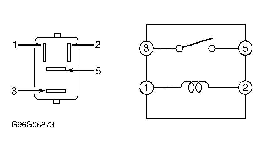
Remove power main relay. See POWER RELAY LOCATION  table. Using an ohmmeter, check continuity between terminals No. 1 and 2. Continuity should exist. See Fig 1 or Fig 2 . Apply battery voltage to terminal No. 1 and ground terminal No. 2. Continuity should exist between terminals No. 3 and 5. If continuity is not as specified, replace power main relay.

POWER RELAY LOCATION

Application Location
Avalon, Camry & Celica Junction Block Behind Instrument Panel, Left Of Steering Column
Corolla & Supra Junction Block No. 1, Left Side Kick Panel
Tercel Relay Block No. 7, Right Side Of Steering Column
Fig 1: Identifying Power Main Relay Terminals (Avalon, Celica, Corolla & Supra)
G96E06867Courtesy of © TOYOTA, LICENSE AGREEMENT TMS1002
Fig 2: Identifying Power Main Relay Terminals (Camry)
G96G06873Courtesy of © TOYOTA, LICENSE AGREEMENT TMS1002
Fig 3: Identifying Power Main Relay Terminals (Tercel)
G96E06872Courtesy of © TOYOTA, LICENSE AGREEMENT TMS1002