LEMON Manuals: Even more car manuals for everyone
Home >> Toyota >> 1988 >> Cressida >> Repair and Diagnosis >> Engine Performance >> System >> Computer Control System >> Wiring Diagrams

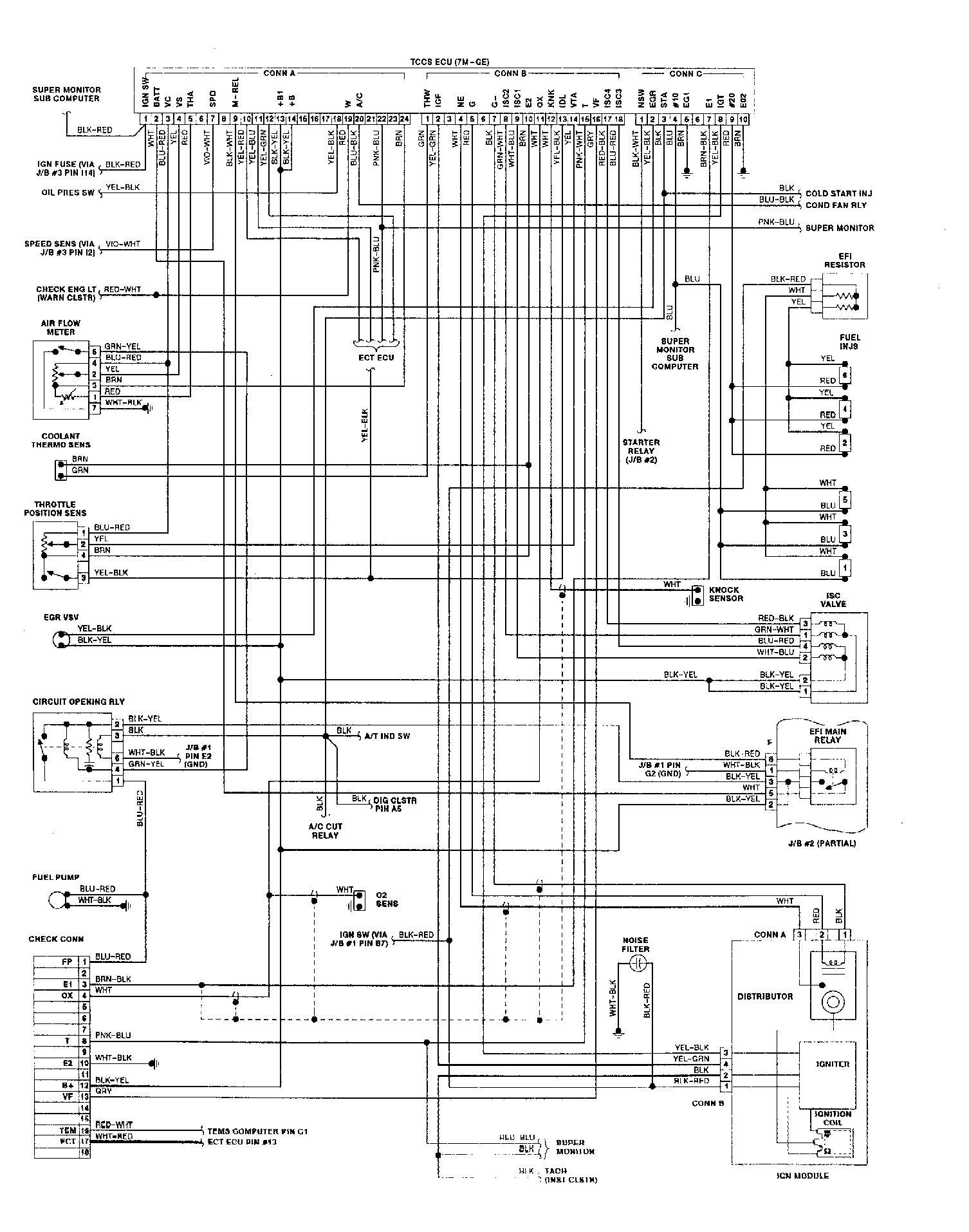
Wiring Diagrams

Fig 1: Toyota Computer Control System Wiring Diagram
G95450Courtesy of © TOYOTA, LICENSE AGREEMENT TMS1002