LEMON Manuals: Even more car manuals for everyone
Home >> Toyota >> 1988 >> Camry Base, Standard >> Repair and Diagnosis >> Engine Performance >> System >> Computer Control System >> Wiring Diagrams

Wiring Diagrams

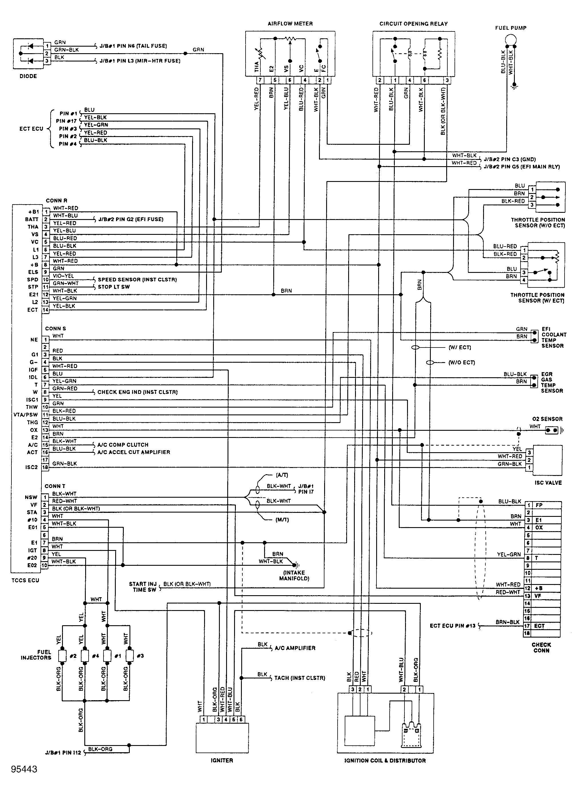
Fig 1: 4-Cylinder Wiring Diagram
G95443Courtesy of © TOYOTA, LICENSE AGREEMENT TMS1002
Fig 2: V6 Wiring Diagram
G95444Courtesy of © TOYOTA, LICENSE AGREEMENT TMS1002