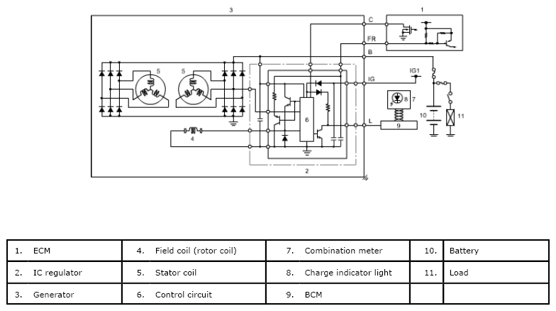
Generator Description
The generator is an IC regulator included. Internal components are connected electrically as shown in the illustration.
The generator features are as follows:
- The IC regulator controls the voltage produced by the generator.
The voltage setting cannot be adjusted.
- The pulley is equipped with a one way clutch. This allows for abrasion and noise from the accessory drive belt and for damage to each device to be reduced through absorption of small changes in the engine speed.