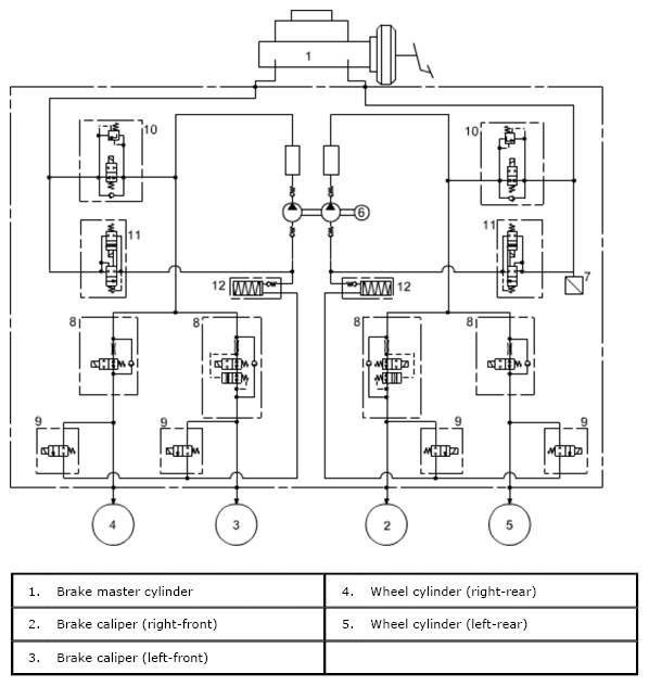
ESP® Hydraulic Unit/Control Module
The control module receives signals from each wheel speed sensor, ESP® OFF switch, brake master cylinder pressure sensor (7) and steering angle sensor. Based on these signals, the control module judges the vehicle conditions and controls the brake hydraulic pressure by combining the ON/OFF operation of the solenoid in the hydraulic unit and the pump motor operation.
The hydraulic unit contains an inlet solenoid valve (8) and an outlet solenoid valve (9) for each wheel as well as a cut solenoid valve (10) and a low pressure solenoid valve (11) for each hydraulic circuit. Also, a brake master cylinder pressure sensor, pump motor (6), etc. are included. The hydraulic pressure control is performed in 3 modes of pressure increase, pressure keeping and pressure reduction.
- Pump motor:
The pump motor turns on and applies pressure to each brake when braking is activated in the traction control and stability control state. When in the pressure reduction mode, it returns the brake fluid in the reservoir (12) to the master cylinder (1).
- Brake master cylinder pressure sensor:
This sensor detects the brake hydraulic pressure in the primary piping when brake is applied in the normal condition. Also, it detects the pump motor driving state when brake is applied in the traction control and stability control state.
- Inlet solenoid valve:
In the ABS, traction control and stability control state, this valve is activated in the pressure keeping and pressure reduction modes to close the fluid passage, thereby restricting increase of the hydraulic pressure applied to the brake caliper.
- Outlet solenoid valve:
In the ABS, traction control and stability control state, this valve is activated in the pressure reduction mode to open the fluid passage, thereby lowering the hydraulic pressure in the brake caliper.
- Cut solenoid valve:
When brake application is commanded in the traction control and stability control state, this valve is activated to close the fluid passage to apply the hydraulic pressure generated by the pump motor to the brake caliper.
- Low pressure solenoid valve:
When brake application is commanded in the traction control and stability control state, this valve is activated to open the fluid passage from the master cylinder to the pump motor.