LEMON Manuals: Even more car manuals for everyone
Home >> Suzuki >> 2013 >> Kizashi Base, Standard Trans >> Repair and Diagnosis >> Brakes >> Traction Control >> Electronic Stability Program >> General Description >> ABS Description >> ESP® Hydraulic Unit/Control Module Assembly

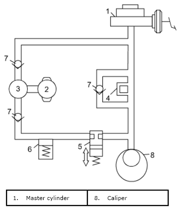
ESP® Hydraulic Unit/Control Module Assembly

The hydraulic pressure control is performed in 3 modes of pressure increase, pressure keeping and pressure reduction.