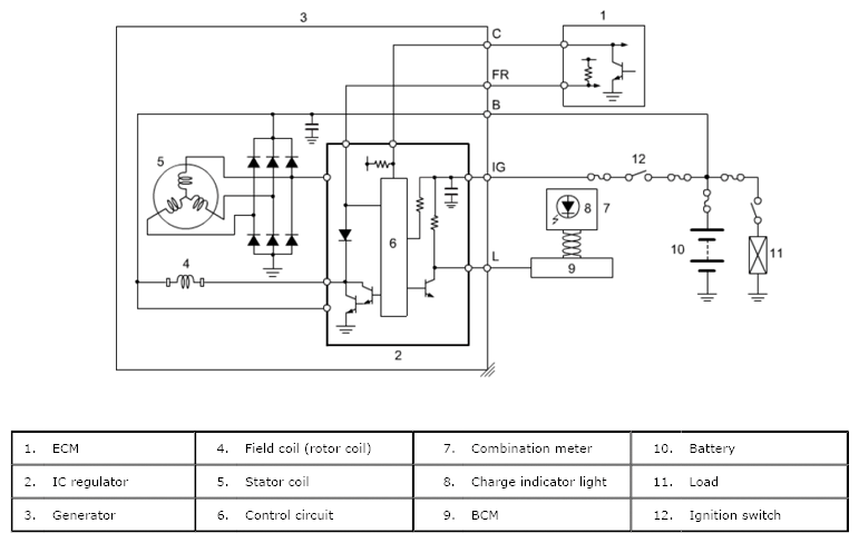
Generator Description
The generator is a small and high performance type with an IC regulator incorporated. The internal components are connected electrically as shown in the following figure.
The generator features are as follows:
- Solid state regulator is mounted inside the generator.
- All regulator components are enclosed into a solid mold.
- The IC regulator uses integrated circuits and controls the voltage produced by the generator, and the voltage setting cannot be adjusted.
- The generator rotor bearings contain enough grease to eliminate the need for periodic lubrication. Two brushes carry current through the two slip rings to the field coil mounted on the rotor, and under normal conditions will provide long period of attention-free service.
- The stator coil are assembled on the inside of a laminated core that forms part of the generator frame.
- The pulley is equipped with a one way clutch. As a result, abrasion and noise of the accessory drive belt and damage to each device can be reduced by absorbing the minute change of the engine speed. (CVT model)