LEMON Manuals: Even more car manuals for everyone
Home >> Suzuki >> 2012 >> SX4 Base >> Repair and Diagnosis (Single Page) >> Steering >> Electronic Steering >> Power Assisted Steering System - Electric >> Diagnostic Information and Procedures >> Serial Data Link Circuit Check (No Communication to P/S Control Module) >> Circuit Diagram

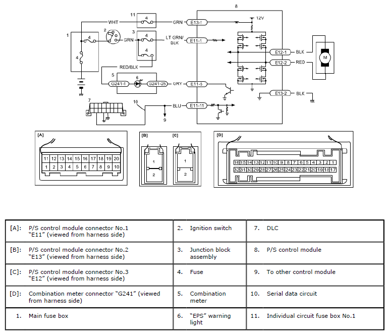
Circuit Diagram

Fig 1: Serial Data Link Circuit Check (No Communication To P/S Control Module) Circuit Diagram
G06867561Courtesy of SUZUKI OF AMERICA CORP.