LEMON Manuals: Even more car manuals for everyone
Home >> Suzuki >> 2012 >> SX4 Base >> Repair and Diagnosis (Single Page) >> Steering >> Electronic Steering >> Power Assisted Steering System - Electric >> Diagnostic Information and Procedures >> P/S Control Module Power Supply and Ground Circuit Check >> Wiring Diagram

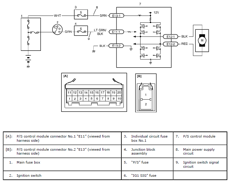
P/S Control Module Power Supply and Ground Circuit Check: Wiring Diagram

Fig 1: P/S Control Module Power Supply And Ground Circuit Check Circuit Diagram
G06867570Courtesy of SUZUKI OF AMERICA CORP.