LEMON Manuals: Even more car manuals for everyone
Home >> Suzuki >> 2012 >> SX4 Base >> Repair and Diagnosis (Single Page) >> Engine Performance >> System >> Engine General Information & Diagnosis >> Schematic and Routing Diagram >> Engine Control System Circuit Diagram >> Notes

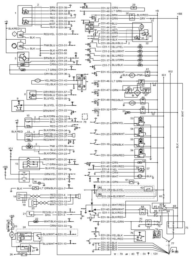
Engine Control System Circuit Diagram: Notes

NOTE: For identification of each cylinder, refer to PRECAUTIONS FOR IDENTIFICATION OF CYLINDER .
Fig 1: Engine Control System Circuit Diagram (1 Of 2)
G06866606Courtesy of SUZUKI OF AMERICA CORP.
Fig 2: Engine Control System Circuit Diagram (2 Of 2)
G06866607Courtesy of SUZUKI OF AMERICA CORP.