LEMON Manuals: Even more car manuals for everyone
Home >> Suzuki >> 2012 >> SX4 Base >> Repair and Diagnosis (Single Page) >> Drivelines & Axles >> Differentials & Drive Axles >> Differential Assembly >> Schematic and Routing Diagram >> 4WD Control System Circuit Diagram >> Notes

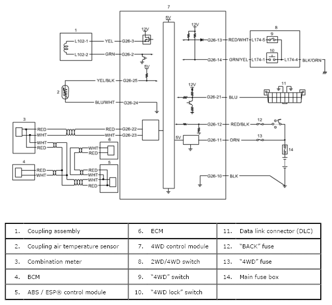
4WD Control System Circuit Diagram: Notes

Fig 1: 4WD Control System Circuit Diagram
G06868316Courtesy of SUZUKI OF AMERICA CORP.