LEMON Manuals: Even more car manuals for everyone
Home >> Suzuki >> 2012 >> Equator Base >> Repair and Diagnosis >> External Pages >> Different variant/trim >> Section 1 (Automatic Transmission System) >> Repair Instructions >> Transmission Assembly: Component

Transmission Assembly: Component

WARNING: This page is about a different variant/trim than selected.
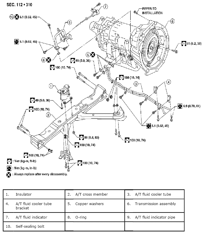
Fig 1: Exploded View Of Transmission Assembly (QR25DE)
G06442903Courtesy of SUZUKI OF AMERICA CORP.
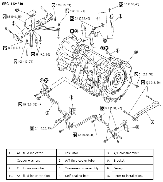
Fig 2: Exploded View Of Transmission Assembly (VQ40DE 2WD Models)
G06442904Courtesy of SUZUKI OF AMERICA CORP.
Fig 3: Exploded View Of Transmission Assembly (VQ40DE 4WD Models)
G06442905Courtesy of SUZUKI OF AMERICA CORP.