LEMON Manuals: Even more car manuals for everyone
Home >> Suzuki >> 2012 >> Equator Base >> Repair and Diagnosis >> External Pages >> Different car >> Section 33 (Power Assisted Steering System) >> Repair Instructions >> Power Steering Gear Inlet Pipe/Hose Replacement >> Removal Procedure

Removal Procedure

WARNING: This page is about a different car, the 2007 Suzuki XL7. However, it is still accessible from the selected car via links, so may be relevant.
  1. Remove the front tire/wheel assemblies. Refer to REMOVAL PROCEDURE .
  2. Place drain pans under the vehicle as needed.
  3. Remove as much fluid from the remote power steering fluid reservoir as possible.
    Fig 1: Identifying Power Steering Gear Inlet Hose From Power Steering Pump
    G04844022Courtesy of SUZUKI OF AMERICA CORP.
  4. Disconnect the power steering gear inlet hose fitting (1) from the power steering pump.
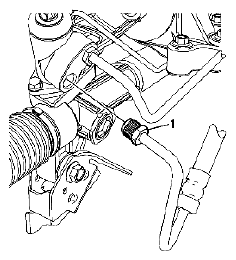
    Fig 2: Identifying Power Steering Gear Inlet Hose
    G04844023Courtesy of SUZUKI OF AMERICA CORP.
  5. Disconnect the power steering gear inlet hose fitting (1) from the steering gear.
  6. Remove the power steering gear inlet hose from the vehicle.