LEMON Manuals: Even more car manuals for everyone
Home >> Suzuki >> 2012 >> Equator Base >> Repair and Diagnosis >> External Pages >> Different car >> Section 24 (Engine Cooling System) >> Repair Instructions >> Coolant Air Bleed Pipe Assembly Replacement >> Removal Procedure

Removal Procedure

WARNING: This page is about a different car, the 2007 Suzuki XL7. However, it is still accessible from the selected car via links, so may be relevant.
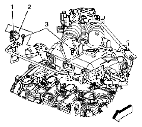
Fig 1: Identifying Coolant Air Bleed Hose & Coolant Air Bleed Pipe Bolts
G04842651Courtesy of SUZUKI OF AMERICA CORP.
  1. Remove the fuel injector sight shield. Refer to REMOVAL PROCEDURE .
  2. Remove the surge tank inlet hose. Refer to RADIATOR SURGE TANK INLET HOSE/PIPE REPLACEMENT .
  3. Reposition the coolant air bleed hose clamp (1) at the coolant air bleed hose.
  4. Remove the coolant air bleed pipe from the coolant air bleed hose (2).
  5. Remove the coolant air bleed pipe bolts (3) from the upper intake manifold.
  6. Remove the coolant air bleed pipe from the engine.