LEMON Manuals: Even more car manuals for everyone
Home >> Suzuki >> 2012 >> Equator Base >> Repair and Diagnosis >> External Pages >> Different car >> Section 24 (Engine Cooling System) >> Repair Instructions >> Coolant Air Bleed Pipe Assembly Replacement >> Installation Procedure

Installation Procedure

WARNING: This page is about a different car, the 2007 Suzuki XL7. However, it is still accessible from the selected car via links, so may be relevant.
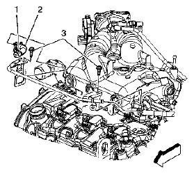
Fig 1: Identifying Coolant Air Bleed Pipe Bolts
G04842652Courtesy of SUZUKI OF AMERICA CORP.
  1. Install the coolant air bleed pipe to the engine.
    CAUTION: Refer to FASTENER NOTICE .
  2. Install the coolant air bleed pipe bolts (3) to the upper intake manifold.

    Tightening torque 

    Tighten the bolt to 10 N.m (89 lb in)  .

  3. Install the coolant air bleed hose (2) to the coolant air bleed pipe.
  4. Position the coolant air bleed hose clamp (1) at the coolant air bleed hose.
  5. Install the surge tank inlet hose. Refer to RADIATOR SURGE TANK INLET HOSE/PIPE REPLACEMENT .
  6. Install the fuel injector sight shield. Refer to INSTALLATION PROCEDURE .