LEMON Manuals: Even more car manuals for everyone
Home >> Suzuki >> 2012 >> Equator Base >> Repair and Diagnosis >> External Pages >> Different car >> Section 11 (Charging System) >> Repair Instructions >> Battery Positive Cable Replacement >> Installation Procedure

Installation Procedure

WARNING: This page is about a different car, the 2007 Suzuki XL7. However, it is still accessible from the selected car via links, so may be relevant.
Fig 1: Positive Battery Cable Lead, Starter Solenoid And Nut
G04843504Courtesy of SUZUKI OF AMERICA CORP.
  1. Install the positive battery cable to the wire loom and re-tape the loom.
  2. Install the positive battery cable (4) lead to the starter solenoid.
  3. Install the positive battery cable to the engine wiring harness clip (3).
    CAUTION: Refer to FASTENER NOTICE .
  4. Install the positive battery cable terminal to starter solenoid nut (6).

    Tightening torque 

    Tighten the nut to 10 N.m (89 lb in). 

  5. Lower the vehicle.
    Fig 2: Connecting Positive And Negative Battery Cable Clip
    G04843505Courtesy of SUZUKI OF AMERICA CORP.
  6. Connect the positive and negative battery cable clip (3) to the battery tray support bracket.
  7. Connect the positive and negative battery cable clip to the side of the battery tray support bracket.
  8. Install the battery box. Refer to INSTALLATION PROCEDURE .
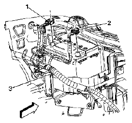
    Fig 3: Positive Battery Cable Terminal And Nut
    G04843506Courtesy of SUZUKI OF AMERICA CORP.
  9. Install the positive battery cable terminal (2) to the UBEC stud.
  10. Install the positive battery cable terminal nut (1) to the UBEC stud.

    Tightening torque 

    Tighten the nut to 15 N.m (11 lb ft). 

    Fig 4: UBEC Cover
    G04843507Courtesy of SUZUKI OF AMERICA CORP.
  11. Install the UBEC cover.
  12. Install the battery. Refer to INSTALLATION PROCEDURE .