LEMON Manuals: Even more car manuals for everyone
Home >> Suzuki >> 2012 >> Equator Base >> Repair and Diagnosis >> External Pages >> Different car >> Section 11 (Charging System) >> Repair Instructions >> Battery Negative Cable Replacement >> Installation Procedure

Installation Procedure

WARNING: This page is about a different car, the 2007 Suzuki XL7. However, it is still accessible from the selected car via links, so may be relevant.
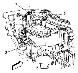
Fig 1: Negative Battery Cable Ground Terminal, Nut And Transaxle Stud
G04843496Courtesy of SUZUKI OF AMERICA CORP.
  1. Install the negative battery cable to the wiring loom and re-tape the loom.
  2. Install the negative battery cable ground terminal (1) to the transaxle stud.
    CAUTION: Refer to FASTENER NOTICE .
  3. Install the negative battery cable ground terminal nut (2) to the transaxle stud.

    Tightening torque 

    Tighten the nut to 45 N.m (33 lb ft). 

    Fig 2: Negative Battery Cable Ground Terminal, Nut And Wheelhouse Stud
    G04843497Courtesy of SUZUKI OF AMERICA CORP.
  4. Install the negative battery cable ground terminal to the wheelhouse stud.
  5. Install the negative battery cable ground terminal nut to the wheelhouse stud.

    Tightening torque 

    Tighten the nut to 12 N.m (106 lb in). 

    Fig 3: Body Wiring Harness Electrical Connector, Negative Battery Cable Electrical Connector And Battery Current Sensor
    G04843498Courtesy of SUZUKI OF AMERICA CORP.
  6. Connect the body wiring harness electrical connector (4) to the battery current sensor (5).
  7. Connect the negative battery cable electrical connector (7) to the body wiring harness electrical connector (2).
    Fig 4: Battery Cable Clip And Battery Tray Support Bracket
    G04843499Courtesy of SUZUKI OF AMERICA CORP.
  8. Connect the positive and negative battery cable clip (3) to the battery tray support bracket.
  9. Connect the positive and negative battery cable clip to the side of the battery tray support bracket.
  10. Install the battery box. Refer to INSTALLATION PROCEDURE .