LEMON Manuals: Even more car manuals for everyone
Home >> Suzuki >> 2012 >> Equator Base >> Repair and Diagnosis >> Electrical >> Starter >> Starting System >> Schematic and Routing Diagram >> Starting System: System Diagram [A/T]

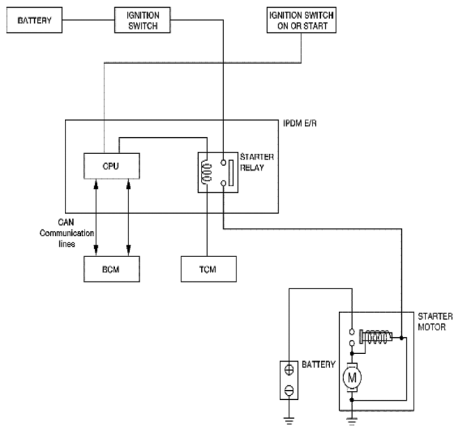
Starting System: System Diagram [A/T]

Fig 1: Starting System Diagram [A/T]
G06444607Courtesy of SUZUKI OF AMERICA CORP.