LEMON Manuals: Even more car manuals for everyone
Home >> Suzuki >> 2012 >> Equator Base >> Repair and Diagnosis (Single Page) >> Electrical >> Body Electrical >> Wiring Systems >> System Circuit Diagram >> Transfer Control Unit: Wiring Diagram

Transfer Control Unit: Wiring Diagram

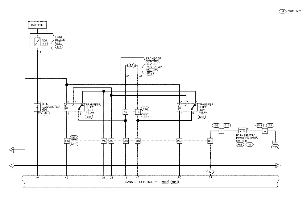
Fig 1: Transfer Control Unit - Wiring Diagram (1 Of 9)
G06446176Courtesy of SUZUKI OF AMERICA CORP.
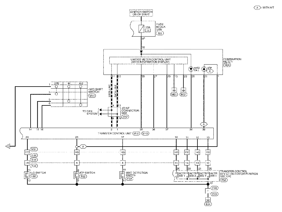
Fig 2: Transfer Control Unit - Wiring Diagram (2 Of 9)
G00536573Courtesy of SUZUKI OF AMERICA CORP.
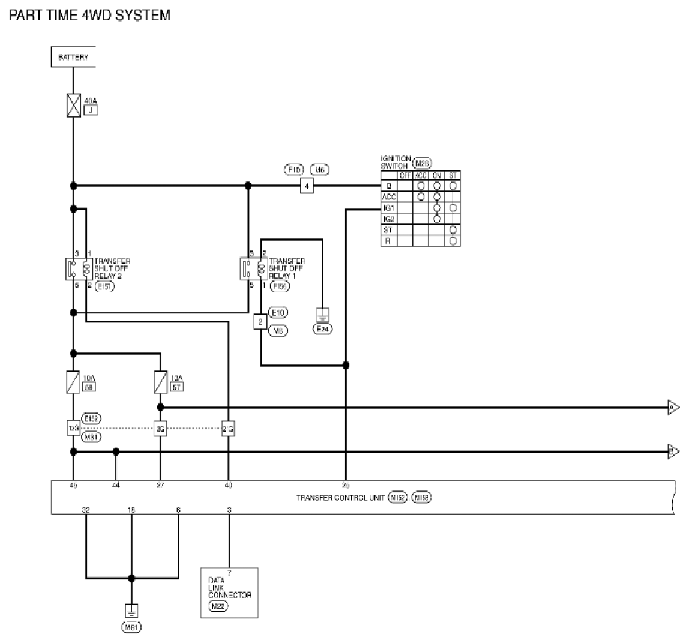
Fig 3: Transfer Control Unit - Wiring Diagram (3 Of 9)
G00536574Courtesy of SUZUKI OF AMERICA CORP.
Fig 4: Transfer Control Unit - Wiring Diagram (4 Of 9)
G00536575Courtesy of SUZUKI OF AMERICA CORP.
Fig 5: Transfer Control Unit - Wiring Diagram (5 Of 9)
G06446180Courtesy of SUZUKI OF AMERICA CORP.
Fig 6: Transfer Control Unit - Wiring Diagram (6 Of 9)
G00536576Courtesy of SUZUKI OF AMERICA CORP.
Fig 7: Transfer Control Unit - Wiring Diagram (7 Of 9)
G00536577Courtesy of SUZUKI OF AMERICA CORP.
Fig 8: Transfer Control Unit - Wiring Diagram (8 Of 9)
G00536578Courtesy of SUZUKI OF AMERICA CORP.
Fig 9: Transfer Control Unit - Wiring Diagram (9 Of 9)
G06446184Courtesy of SUZUKI OF AMERICA CORP.