LEMON Manuals: Even more car manuals for everyone
Home >> Suzuki >> 2011 >> Grand Vitara Base >> Repair and Diagnosis >> Engine Performance >> System >> Engine Control System Diagnosis >> Schematic and Routing Diagram >> Engine Control System Circuit Diagram >> Notes

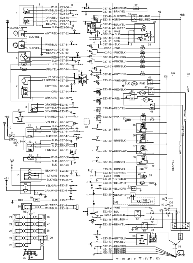
Engine Control System Circuit Diagram: Notes

NOTE: For identification of each cylinder, refer to PRECAUTIONS FOR IDENTIFICATION OF CYLINDER:J24B .
Fig 1: Engine Control System Circuit Diagram
G06492341Courtesy of SUZUKI OF AMERICA CORP.
Fig 2: Engine Control System Circuit Diagram Legends
G06492342Courtesy of SUZUKI OF AMERICA CORP.