LEMON Manuals: Even more car manuals for everyone
Home >> Suzuki >> 2007 >> Swift + >> Repair and Diagnosis >> Transmission >> Automatic Trans >> Shift Interlock System >> Schematic and Routing Diagrams >> Shift Lock Control Schematics (Notchback)

Shift Lock Control Schematics (Notchback)

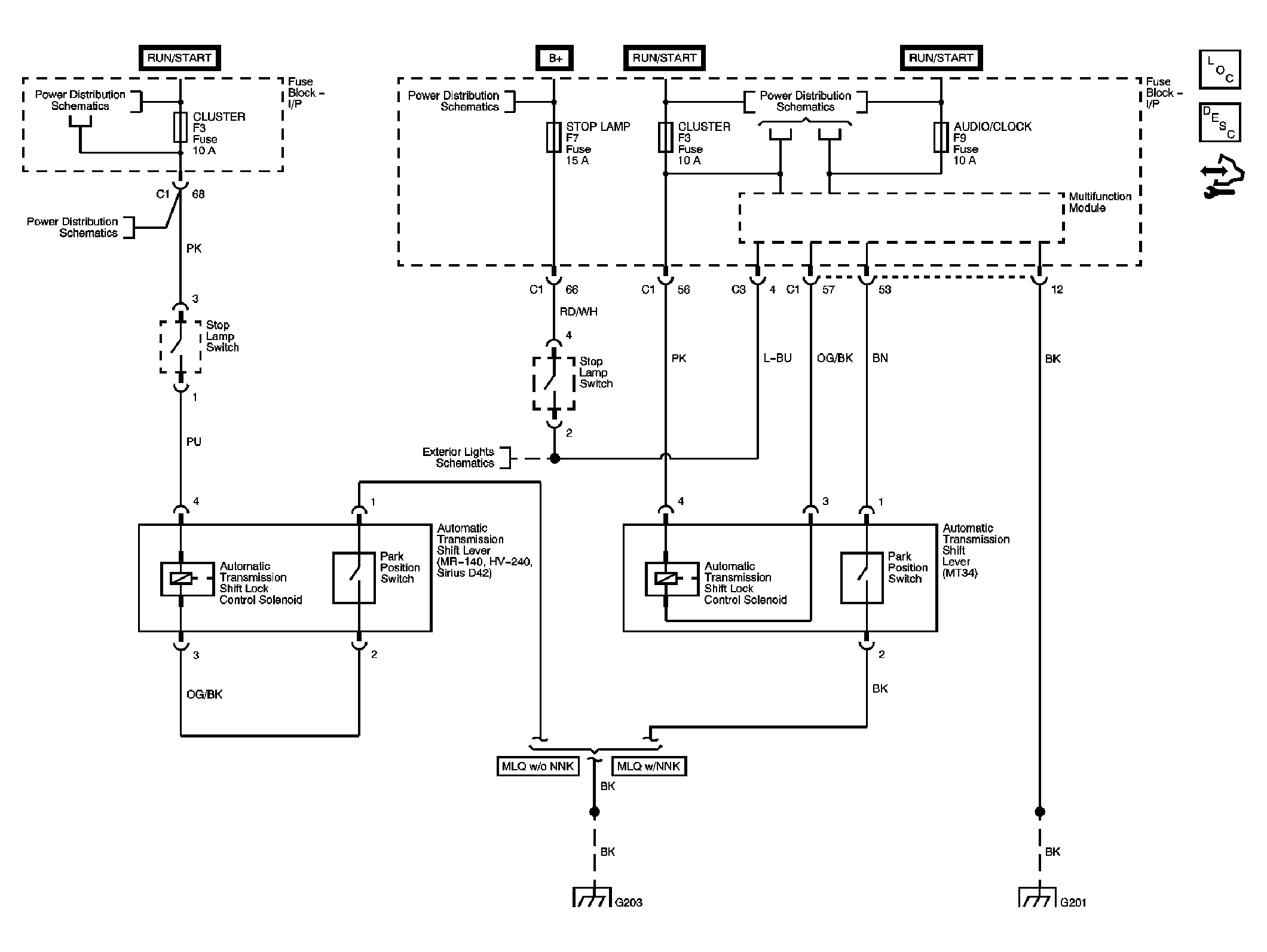
Fig 1: Shift Lock Control Schematic (Notchback)
GM1737626Courtesy of GENERAL MOTORS CORP.