LEMON Manuals: Even more car manuals for everyone
Home >> Suzuki >> 2007 >> Swift + >> Repair and Diagnosis >> Accessories & Equipment >> Anti-Theft Systems >> Keyless Entry System And Remote Functions >> Schematic and Routing Diagrams >> Remote Function Schematics (Notchback)

Remote Function Schematics (Notchback)

Fig 1: Remote Control Door Lock Receiver Power and Inputs
GM1737470Courtesy of GENERAL MOTORS CORP.
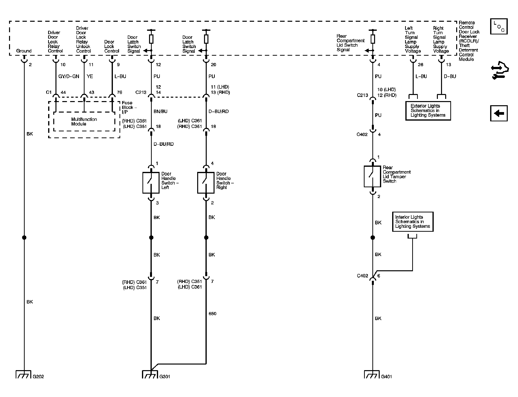
Fig 2: Remote Control Door Lock Receiver Ground, Door Lock Control and Tamper Switches
GM1737473Courtesy of GENERAL MOTORS CORP.
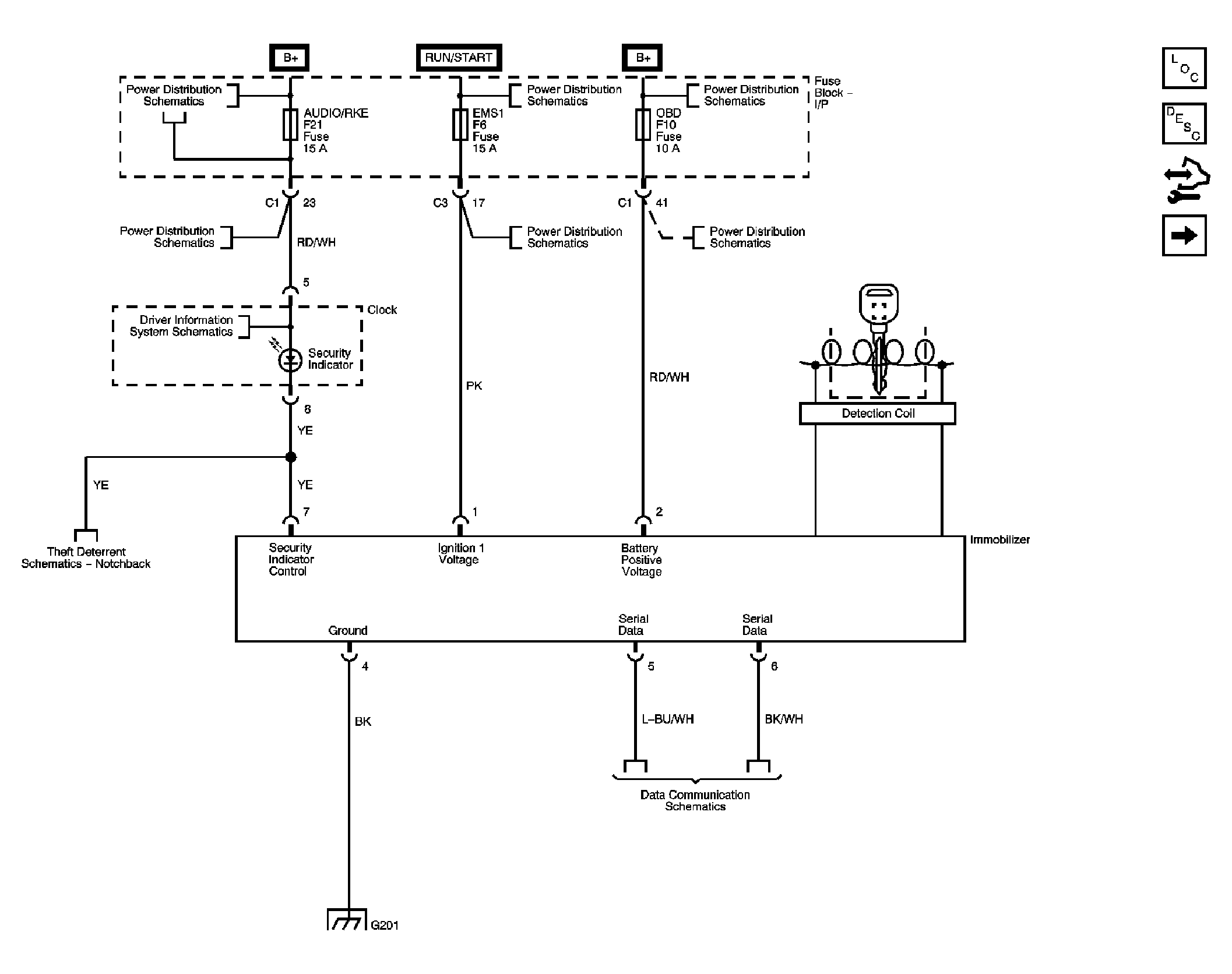
Fig 3: Theft Deterrent Control Module - Immobilizer
GM1737476Courtesy of GENERAL MOTORS CORP.